- Partiron
- OEM Parts
- Sea-doo
- Watercraft
- 1999
- SPX
- SPX, 5636/5828, 1999
Cooling System
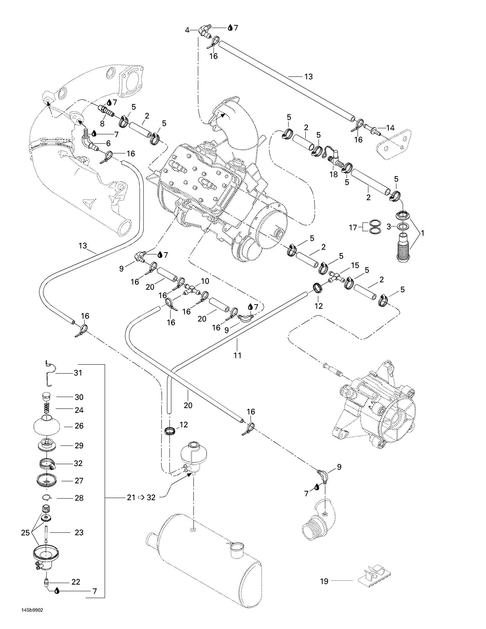
Sea-doo SPX, 5636/5828, 1999 Cooling System Diagram
#
Description
Price
1
Perko Fitting
293710043
Unavailable
3
WASHER - Call your local BRP dealership
293050003
Unavailable
4
Elbow Fitting 90°
293710018
Unavailable
6
Elbow Fitting 90°
293710048
Unavailable
9
Elbow Fitting
293700016
Unavailable
10
T-FITTING - Call your local BRP dealership
293710061
Unavailable
11
HOSE-6MM. 5000MM LONG - Call your local BRP dealership
219704396
Unavailable
14
BLEED FITTING - Call your local BRP dealership
291000306
Unavailable
17
GASKET - Call your local BRP dealership
293250028
Unavailable
18
T-FITTING - Call your local BRP dealership
295000103
Unavailable
19
TIE CLAMP - Call your local BRP dealership
293750005
Unavailable
21
Pressure Regulator Ass'y | Includes 16 - 27.
274000611
Unavailable
22
MALE CONNECTOR - Call your local BRP dealership
293700010
Unavailable
23
FEEDING ROD - Call your local BRP dealership
274000423
Unavailable
24
Spring 50 mm
274000612
Unavailable
25
Not Available As Spare Part - Friction Washer
Unavailable
28
SPRING CLAMP - Call your local BRP dealership
420838190
Unavailable
29
EXHAUST VALVE - Call your local BRP dealership
420253255
Unavailable
31
SPRING CLIP - Call your local BRP dealership
420838083
Unavailable
32
Rivalair Clamp
293650065
Unavailable
