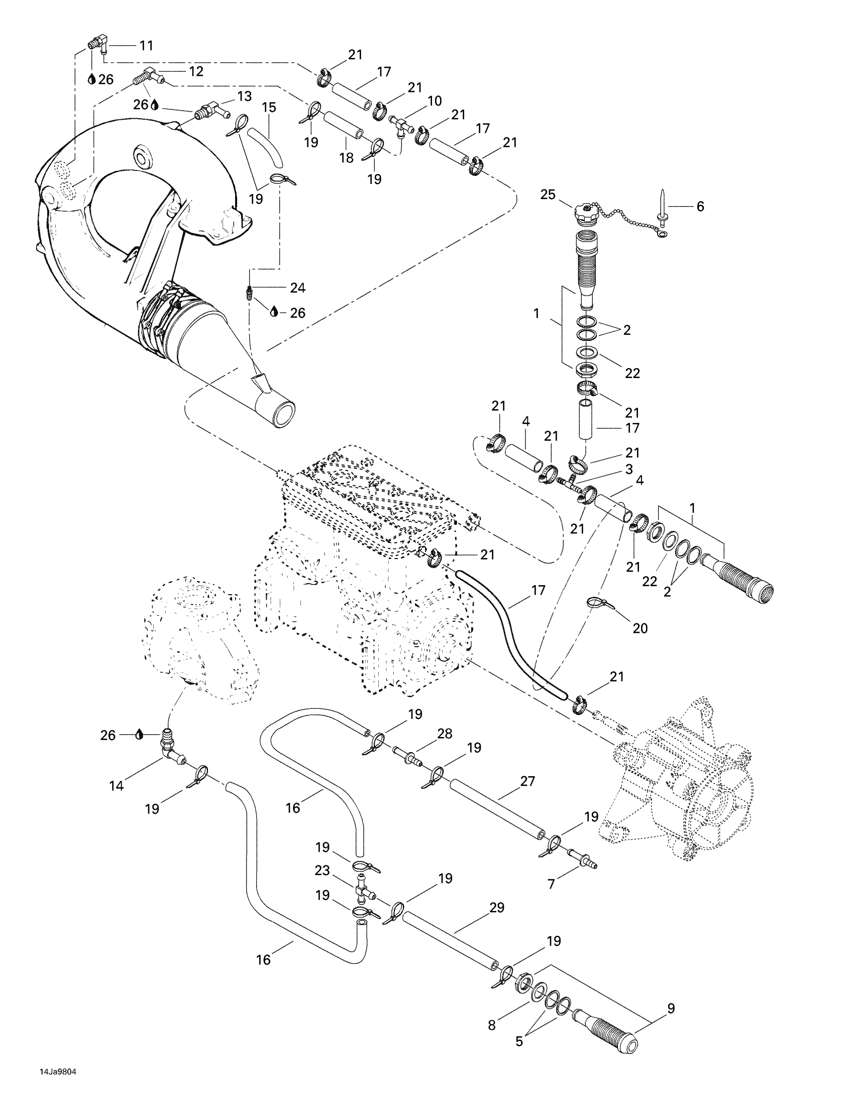
Sea-doo Sportster, 5614, 1998 Cooling System Diagram
#
Description
Price
1
Fitting
293710063
Unavailable
2
GASKET - Call your local BRP dealership
293250028
Unavailable
3
Y Fitting
293710072
Unavailable
5
GASKET - Call your local BRP dealership
293250028
Unavailable
6
RIVET_POP 1/8 X ,625 - Call your local BRP dealership
293150023
Unavailable
7
BLEED FITTING - Call your local BRP dealership
291000306
Unavailable
8
WASHER - Call your local BRP dealership
293050003
Unavailable
9
Perko Fitting
293710043
Unavailable
12
Elbow Fitting 90°
293710048
Unavailable
13
Elbow Fitting 90°
293710018
Unavailable
14
Elbow Fitting
293700016
Unavailable
22
WASHER - Call your local BRP dealership
293050003
Unavailable
23
T-Fitting
293710074
Unavailable
25
PLUG - Call your local BRP dealership
293000055
Unavailable
27
Hose 6 mm
275550018
Unavailable
28
Reducing Fitting
293710075
Unavailable
