- Partiron
- OEM Parts
- Polaris
- ATV
- 2014
- SPORTSMAN XP EPS 850/HO - A14ZN8EAB/C/I/M/P/S
OPTIONS, WINCH - A14ZN8EAB/EAP (49ATVWINCH14F800)
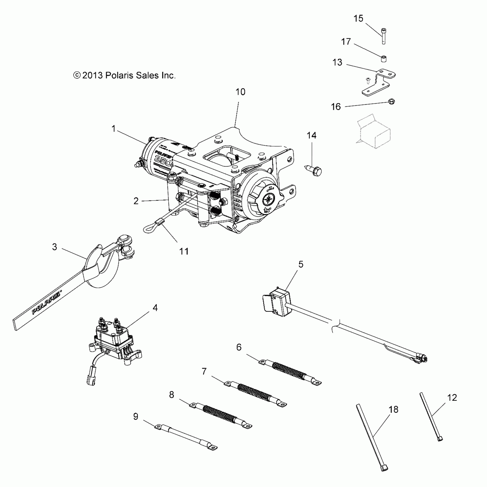
Polaris SPORTSMAN XP EPS 850/HO - A14ZN8EAB/C/I/M/P/S OPTIONS, WINCH - A14ZN8EAB/EAP (49ATVWINCH14F800) Diagram
#
Description
Price
1
WINCH, POLARIS, 2.5
2204631
Unavailable
1
DECAL, 2500 WINCH
7177991
Unavailable
4
CONTACTOR
4013465
Unavailable
9
CABLE, POWER, WINCH, RED, 6 GA
4013471-485
Unavailable
10
MOUNT, WINCH
1018438
Unavailable
13
BRACKET, SWITCH
5250830
Unavailable
