- Partiron
- OEM Parts
- Polaris
- ATV
- 2017
- SPORTSMAN XP 1000 (R16) - A17SXD95A9/SXE95AC/AL
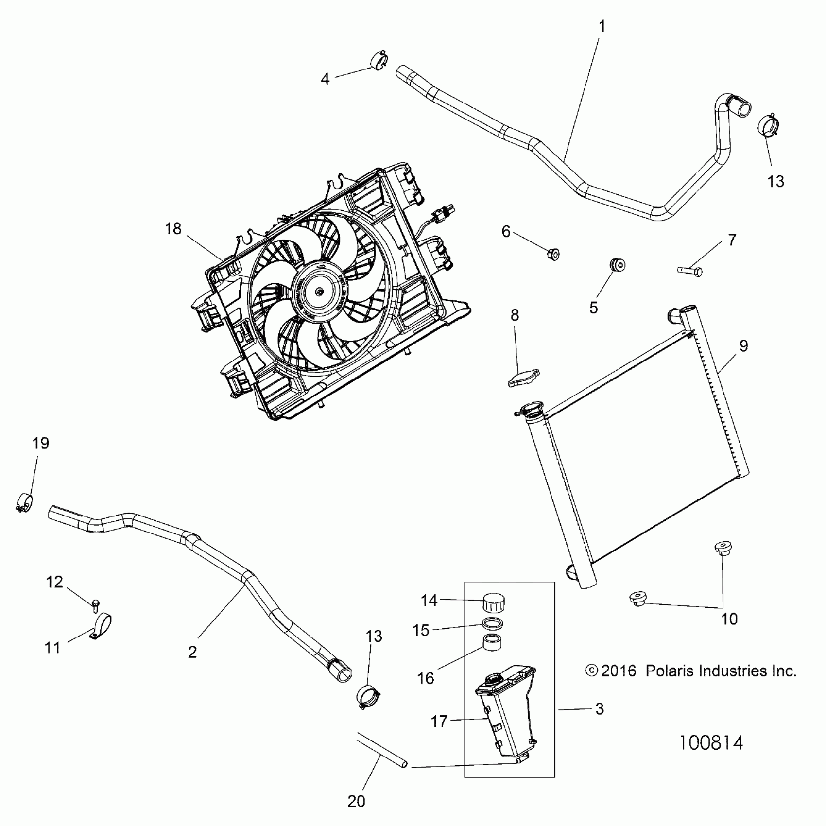
ENGINE, COOLING SYSTEM - A17SXD95A9/SXE95AC/AL (100814)
Polaris SPORTSMAN XP 1000 (R16) - A17SXD95A9/SXE95AC/AL ENGINE, COOLING SYSTEM - A17SXD95A9/SXE95AC/AL (100814) Diagram
#
Description
Price
9
ASM., RADIATOR [INCL. 3,4,8-10,18]
1240702
Unavailable
11
CLAMP-HOSE,1.312 VINYL COATED
7080851
Unavailable
17
BOTTLE, COLLANT RECOVERY
5437257
Unavailable
18
FAN
2412286
Unavailable
