SPORTSMAN X2 700 EFI - A08TN68AX/AZ
BODY, BOX FRAME and LATCH - A08TN68AX/AZ (49ATVBOXSPX2)
BODY, BOX, REAR - A08TN68AX/AZ (49ATVBOXRR08SPX25)
BODY, CLUTCH COVER - A08TN68AX/AZ (49ATVCLUTCHCVR08SPX25)
BODY, DECALS - A08TN68AX/AZ (49ATVDECAL08SPX27)
BODY, FRONT BUMPER and MOUNTING - A08TN68AX/AZ (49ATVBUMPER08SP500)
BODY, FRONT CAB and SIDE PANELS - A08TN68AX/AZ (49ATVCAB08SPX25)
BODY, FRONT STORAGE BOX - A08TN68AX/AZ (49ATVSTORAGE08SP500)
BODY, FUEL TANK ASM. - A08TN68AX/AZ (49ATVFUEL08SPX27)
BODY, HEADLIGHT POD - A08TN68AX/AZ (49ATVHEADLIGHT08SP500EFI)
BODY, PASSENGER SEAT BACK - A08TN68AX/AZ (49ATVSEATBACK08SPX27)
BODY, PASSENGER SEAT BOTTOM - A08TN68AX/AZ (49ATVSEATBOTTOMX2500EFI)
BODY, REAR CAB - A08TN68AX/AZ (49ATVCABRR08SPX25)
BODY, REAR CAB FOIL - A08TN68AX/AZ (49ATVCABFOILX2500EFI)
BODY, SEAT and OPERATOR - A08TN68AX/AZ (49ATVSEAT08SPX25)
BODY, TAILGATE - A08TN68AX/AZ (49ATVTAILGATEMTG09SPX25)
BODY, TAILGATE BRACKETS - A08TN68AX/AZ (49ATVTAILGATEMTG08SPX25)
BRAKES, BRAKE LINES - A08TN68AX/AZ (49ATVBRAKELINE08SPX25)
BRAKES, FRONT BRAKE LEVER and MASTER CYLINDER - A08TN68AX/AZ (4999204069920406B08)
BRAKES, FRONT CALIPER - A08TN68AX/AZ (49ATVBRAKEFRT08SP500)
BRAKES, PEDAL and REAR MASTER CYLINDER - A08TN68AX/AZ (49ATVBRAKERR08SPX25)
BRAKES, REAR CALIPER - A08TN68AX/AZ (49ATVCALIPER08SPX25)
CHASSIS, FRAME - A08TN68AX/AZ (49ATVFRAME08SPX25)
DRIVE TRAIN, DIFFERENTIAL - A08TN68AX/AZ (49ATVTRANSMISSION08SPX25)
DRIVE TRAIN, FRONT DRIVE SHAFT - A08TN68AX/AZ (49ATVSHAFTDRIVE08SP)
DRIVE TRAIN, FRONT GEARCASE and MOUNTING - A08TN68AX/AZ (49ATVGEARCASE1332568)
DRIVE TRAIN, GEAR SELECTOR - A08TN68AX/AZ (4999204069920406C10)
DRIVE TRAIN, MAIN GEARCASE - A08TN68AX/AZ (49ATVGEARCASE08SPX25)
DRIVE TRAIN, MAIN GEARCASE INTERNAL - A08TN68AX/AZ (49ATVTRANSINTL08SPX25)
DRIVE TRAIN, MAIN GEARCASE MOUNTING - A08TN68AX/AZ (49ATVGEARCASEMTG08SPX25)
DRIVE TRAIN, MAIN GEARCASE OUTPUT SHAFT - A08TN68AX/AZ (49ATVSHAFTOUTPUT08SPX25)
DRIVE TRAIN, MAIN GEARCASE SHIFT FORKS - A08TN68AX/AZ (4999204069920406D09)
DRIVE TRAIN, PRIMARY CLUTCH - A08TN68AX/AZ (49ATVCLUTCH08SPX25)
DRIVE TRAIN, PROP SHAFT - A08TN68AX/AZ (4999204069920406C02)
DRIVE TRAIN, REAR DRIVE SHAFT - A08TN68AX/AZ (49ATVSHAFTDRIVERR08SPX25)
DRIVE TRAIN, SECONDARY CLUTCH - A08TN68AX/AZ (49ATVCLUTCHDRIVEN08SP500EFI)
ELECTRICAL, BATTERY - A08TN68AX/AZ (49ATVBATTERY08SPX27)
ELECTRICAL, BULBS - A08TN68AX/AZ (49ATVBULBS08SP500)
ELECTRICAL, GAUGES and INDICATORS - A08TN68AX/AZ (49ATVGAUGES08SP500)
ELECTRICAL, HARNESSES - A08TN68AX/AZ (49ATVHARNESS08SPX27)
ELECTRICAL, HEADLIGHTS - A08TN68AX/AZ (49ATVHEADLTASM08SP500)
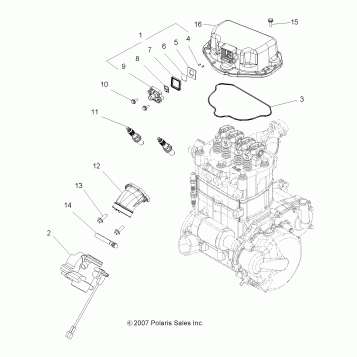
ELECTRICAL, IGNITION SYSTEM - A08TN68AX/AZ (49ATVMAGNETO08SP800EFI)
ELECTRICAL, SWITCHES and SENSORS and ECM - A08TN68AX/AZ (49ATVELECT08SPX27)
ELECTRICAL, TAILLIGHTS - A08TN68AX/AZ (49ATVTAILLAMPS09SPX2500)
ENGINE, AIR INTAKE SYSTEM - A08TN68AX/AZ (49ATVAIRBOX08SPX27)
ENGINE, CAMSHAFT and GEARS - A08TN68AX/AZ (49ATVCAMSHAFT08SP800EFI)
ENGINE, COOLING SYSTEM - A08TN68AX/AZ (49ATVCOOL08SPX27)
ENGINE, COOLING SYSTEM THERMOSTAT - A08TN68AX/AZ (49ATVMANIFOLD08SP800EFI)
ENGINE, CRANKCASE - A08TN68AX/AZ (49ATVCRANKCASE08SP800EFI)
ENGINE, CRANKSHAFT and BALANCE SHAFT - A08TN68AX/AZ (49ATVCRANKSHAFT08SP800EFI)
ENGINE, DIPSTICK and OIL FILTER - A08TN68AX/AZ (49ATVDIPSTICK08SP800EFI)
ENGINE, EXHAUST - A08TN68AX/AZ (49ATVEXHAUST08SPX27)
ENGINE, FUEL INJECTOR - A08TN68AX/AZ (49ATVFUELINJECT08SPX27)
ENGINE, MOUNTING - A08TN68AX/AZ (49ATVENGINEMTG08SPX27)
ENGINE, OIL PUMP and WATER PUMP - A08TN68AX/AZ (49ATVOILPUMP08SPX27)
ENGINE, PISTON and CYLINDER - A08TN68AX/AZ (4999200299920029D08)
ENGINE, SHORT BLOCK - A08TN68AX/AZ (49ATVENGINE08SPX27)
ENGINE, STARTING MOTOR - A08TN68AX/AZ (49ATVSTARTER08SP800EFI)
ENGINE, THROTTLE BODY MOUNTING - A08TN68AX/AZ (49ATVTHROTTLEBODY08SPX27)
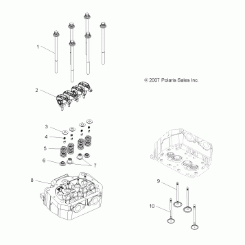
ENGINE, VALVES - A08TN68AX/AZ (49ATVAIRINTAKE08SPX27)
REFERENCE, MANUALS and INFORMATION - A08TN68AX/AZ (49ATVOM07OTLW90)
STEERING, CONTROLS and THROTTLE ASM. and CABLE - A08TN68AX/AZ (49ATVCONTROLS08SP800EFI)
STEERING, HANDLEBAR and CONTROLS - A08TN68AX/AZ (49ATVHANDLEBAR08SP500EFI)
STEERING, STEERING POST - A08TN68AX/AZ (49ATVSTEERING08SPX25)
SUSPENSION, A-ARM and STRUT MOUNTING - A08TN68AX/AZ (49ATVAARM08SPX25)
SUSPENSION, FRONT STRUT - A08TN68AX/AZ (49ATVSTRUT08X2500QUAD)
SUSPENSION, REAR - A08TN68AX/AZ (49ATVSUSPRR08SPX25)
SUSPENSION, TORSION BAR - A08TN68AX/AZ (49ATVTORSION08SPX25)
TOOLS, TOOL KIT - A08TN68AX/AZ (49ATVTOOL08SPX25)
WHEELS, FRONT - A08TN68AX/AZ (49ATVWHEELFRTX2QUAD)
WHEELS, REAR - A08TN68AX/AZ (49ATVWHEELREAR08SPX25)
Fuel Your Passion
Parts That Keep You Riding
Edit ride