SPORTSMAN X2 500 EFI QUAD - A08TN50EA
BODY, BOX FRAME and LATCH - A08TN50EA (49ATVBOXSPX2)
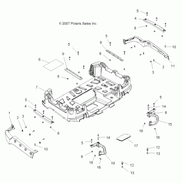
BODY, BOX, REAR - A08TN50EA (49ATVBOXRR08SPX25)
BODY, CLUTCH COVER - A08TN50EA (49ATVCLUTCHCVR08SPX25)
BODY, DECALS - A08TN50EA (49ATVDECAL08X2500QUAD)
BODY, FRONT BUMPER and MOUNTING - A08TN50EA (49ATVBUMPER08X2500QUAD)
BODY, FRONT CAB - A08TN50EA (49ATVCAB08SPX25)
BODY, FRONT STORAGE BOX - A08TN50EA (49ATVSTORAGE08X2500QUAD)
BODY, FUEL TANK ASM. (BUILT 12/01/07 and BEFORE) - A08TN50EA (49ATVFUEL08X2500QUAD)
BODY, FUEL TANK ASM. (BUILT 12/02/07 and AFTER) - A08TN50EA (49ATVFUEL08SPTRG500QD)
BODY, HEADLIGHT POD - A08TN50EA (49ATVHEADLIGHT08SP500EFI)
BODY, PASSENGER SEAT BACK - A08TN50EA (49ATVSEATBACK08SPX27)
BODY, PASSENGER SEAT BOTTOM - A08TN50EA (49ATVSEATBOTTOMX2500EFI)
BODY, REAR CAB - A08TN50EA (49ATVCABRR08SPX25)
BODY, REAR CAB FOIL - A08TN50EA (49ATVCABFOILX2500EFI)
BODY, SEAT and OPERATOR - A08TN50EA (49ATVSEAT08SPX25)
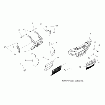
BODY, TAILGATE - A08TN50EA (49ATVTAILGATEMTG09SPX25)
BODY, TAILGATE BRACKETS - A08TN50EA (49ATVTAILGATEMTG08SPX25)
BRAKES, FOOT PEDAL and MASTER CYLINDER - A08TN50EA (49ATVBRAKEFOOT08X2500QUAD)
BRAKES, FRONT BRAKE LEVER and MASTER CYLINDER - A08TN50EA (4999204069920406B08)
BRAKES, FRONT BRAKE LINES - A08TN50EA (49ATVBRAKELINE08X2500QUAD)
BRAKES, FRONT CALIPER - A08TN50EA (49ATVCALIPER08X2500QUAD)
BRAKES, REAR BRAKE LINES - A08TN50EA (49ATVBRAKERR08X2500QUAD)
BRAKES, REAR CALIPER - A08TN50EA (49ATVBRAKERR08SP500)
BRAKES, VALVE SYSTEM - A08TN50EA (49ATVBRAKEVALVEX2QUAD)
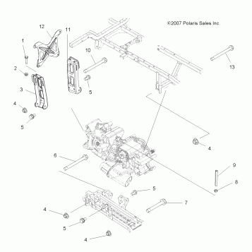
CHASSIS, FRAME - A08TN50EA (49ATVFRAME08X2500QUAD)
DRIVE TRAIN, DIFFERENTIAL - A08TN50EA (49ATVTRANSMISSION08SPX25)
DRIVE TRAIN, FRONT DRIVE SHAFT - A08TN50EA (49ATVSHAFTDRIVE08SP)
DRIVE TRAIN, FRONT GEARCASE and MOUNTING - A08TN50EA (49ATVGEARCASE1332568)
DRIVE TRAIN, GEAR SELECTOR - A08TN50EA (4999204069920406C10)
DRIVE TRAIN, MAIN GEARCASE - A08TN50EA (4999204069920406D05)
DRIVE TRAIN, MAIN GEARCASE INTERNAL - A08TN50EA (49ATVTRANSINTL08SPX25)
DRIVE TRAIN, MAIN GEARCASE MOUNTING - A08TN50EA (49ATVGEARCASEMTG08SPX25)
DRIVE TRAIN, MAIN GEARCASE OUTPUT SHAFT - A08TN50EA (49ATVSHAFTOUTPUT08SPX25)
DRIVE TRAIN, MAIN GEARCASE SHIFT FORKS - A08TN50EA (4999204069920406D09)
DRIVE TRAIN, PRIMARY CLUTCH - A08TN50EA (49ATVCLUTCH08SPX25)
DRIVE TRAIN, PROP SHAFT - A08TN50EA (4999204069920406C02)
DRIVE TRAIN, REAR DRIVE SHAFT - A08TN50EA (49ATVSHAFTDRIVERR08SPX25)
DRIVE TRAIN, SECONDARY CLUTCH - A08TN50EA (49ATVCLUTCHDRIVEN08SPX25)
ELECTRICAL, BATTERY - A08TN50EA (49ATVBATTERY08SPX25)
ELECTRICAL, BULBS - A08TN50EA (49ATVBULBS08X2500QUAD)
ELECTRICAL, GAUGES and INDICATORS - A08TN50EA (49ATVGAUGES08X2500QUAD)
ELECTRICAL, HARNESSES - A08TN50EA (49ATVHARNESS08X2500QUAD)
ELECTRICAL, HEADLIGHTS - A08TN50EA (49ATVHEADLIGHT08X2500QUAD)
ELECTRICAL, IGNITION SYSTEM - A08TN50EA (49ATVMAGNETO08SPX25)
ELECTRICAL, SWITCHES and SENSORS and ECM - A08TN50EA (49ATVELECT08X2500QUAD)
ELECTRICAL, TAILLIGHTS - A08TN50EA (49ATVTAILLAMPS09SPX2500QD)
ELECTRICAL, TURN SIGNALSand HORN and MIRRORS - A08TN50EA (49ATVTURNSIGX2QUAD)
ENGINE, AIR INJECTION SYSTEM - A08TN50EA (49ATVAIRINJECT08X2500QUAD)
ENGINE, AIR INTAKE SYSTEM - A08TN50EA (49ATVAIRBOX08X2500QUAD)
ENGINE, COOLING SYSTEM - A08TN50EA (49ATVCOOL08SPX25)
ENGINE, CRANKCASE - A08TN50EA (49ATVCRANKCASE08SP500)
ENGINE, CRANKSHAFT and PISTON - A08TN50EA (49ATVCRANKSHAFT08SP500)
ENGINE, CYLINDER and HEAD - A08TN50EA (49ATVCYLINDERHD08SP500EFI)
ENGINE, EXHAUST SYSTEM - A08TN50EA (49ATVEXHAUST08X2500QUAD)
ENGINE, FUEL INJECTOR - A08TN50EA (49ATVFUELINJECT08SP500EFI)
ENGINE, MOUNTING - A08TN50EA (49ATVENGINEMTG08SPX25)
ENGINE, OIL FILTER - A08TN50EA (4999200099920009D13)
ENGINE, OIL PUMP - A08TN50EA (4999200099920009D12)
ENGINE, OIL SYSTEM - A08TN50EA (4999204069920406B07)
ENGINE, RECOIL STARTER - A08TN50EA (49ATVRECOIL08SP500)
ENGINE, SHORT BLOCK - A08TN50EA (49ATVENGINE08SP500)
ENGINE, STARTING SYSTEM - A08TN50EA (49ATVSTARTER08SP500)
ENGINE, THROTTLE BODY - A08TN50EA (49ATVTHROTTLEBODY08X2500QUAD)
ENGINE, VALVES and CAMSHAFT - A08TN50EA (49ATVVALVE08SP500)
ENGINE, WATER PUMP - A08TN50EA (49ATVWATERPUMP08SP500)
REFERENCE, MANUALS and INFORMATION - A08TN50EA (49ATVOM07OTLW90)
STEERING, CONTROLS and THROTTLE - A08TN50EA (49ATVCONTROLS08X2500QUAD)
STEERING, HANDLEBAR and CONTROLS - A08TN50EA (49ATVHANDLEBAR08X2500QUAD)
STEERING, STEERING POST - A08TN50EA (49ATVSTEERING08X2500QUAD)
STEERING, STEERING POST LOCK - A08TN50EA (49ATVSTEERINGLOCK08X2500QUAD)
SUSPENSION, A-ARM and STRUT MOUNTING - A08TN50EA (49ATVAARM08SPX25)
SUSPENSION, FRONT STRUT - A08TN50EA (49ATVSTRUT08X2500QUAD)
SUSPENSION, REAR - A08TN50EA (49ATVSUSPRR08SPX25)
SUSPENSION, TORSION BAR - A08TN50EA (49ATVTORSION08SPX25)
TOOLS, TOOL KIT - A08TN50EA (49ATVTOOL08SPX25)
WHEELS, FRONT - A08TN50EA (49ATVWHEELFRTX2QUAD)
WHEELS, REAR - A08TN50EA (49ATVWHEELREAR08SPX25)
Fuel Your Passion
Parts That Keep You Riding
Edit ride