- Partiron
- OEM Parts
- Polaris
- ATV
- 2007
- SPORTSMAN X2 500 EFI QUAD - A07TH50EA
ENGINE, MOUNTING - A07TH50EA (49ATVENGINEX2500EFI)
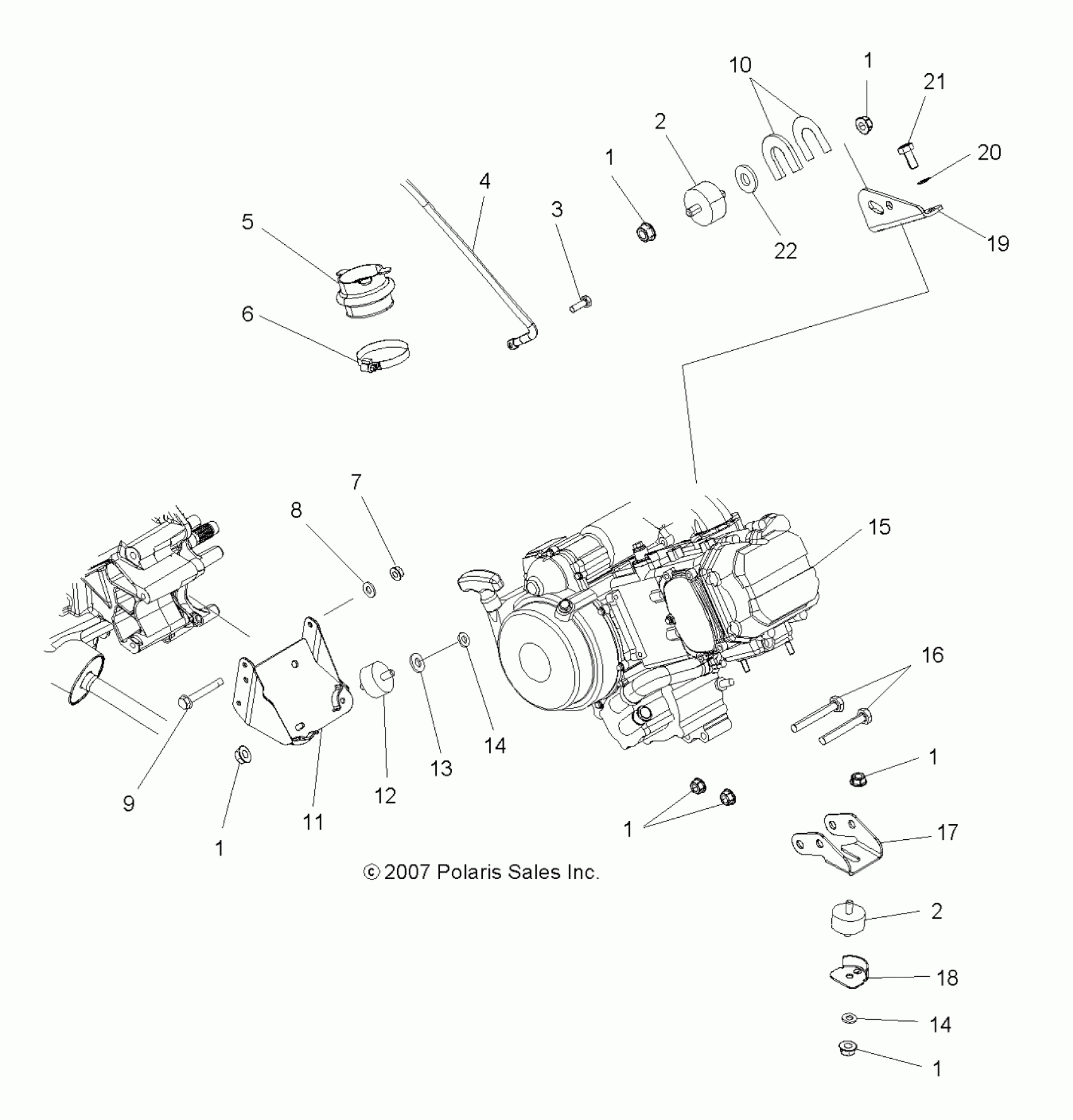
Polaris SPORTSMAN X2 500 EFI QUAD - A07TH50EA ENGINE, MOUNTING - A07TH50EA (49ATVENGINEX2500EFI) Diagram
#
Description
Price
2
Mount, Rubber, Top
3110044
Unavailable
2
Mount, Rubber, Top
3110044
Unavailable
5
BOOT, CLUTCH INTAKE
5412487
Unavailable
10
Shim, .080
5210760
Unavailable
10
Shim, .030
5211517
Unavailable
11
Mount, Engine, Rear, Black
1015648-067
Unavailable
12
Mount, Rubber, Rear
3021119
Unavailable
15
Engine, Short Block, EH500PLE210 [EH50PLE212] NOTE: The Short Block assembly contains a crankcase assembly, cylinder & cylinder head assembly and a piston & crankshaft assembly. Prior authorization
3089950
Unavailable
