- Partiron
- OEM Parts
- Polaris
- ATV
- 2009
- SPORTSMAN X2 500 EFI - A09TN50AX/AZ
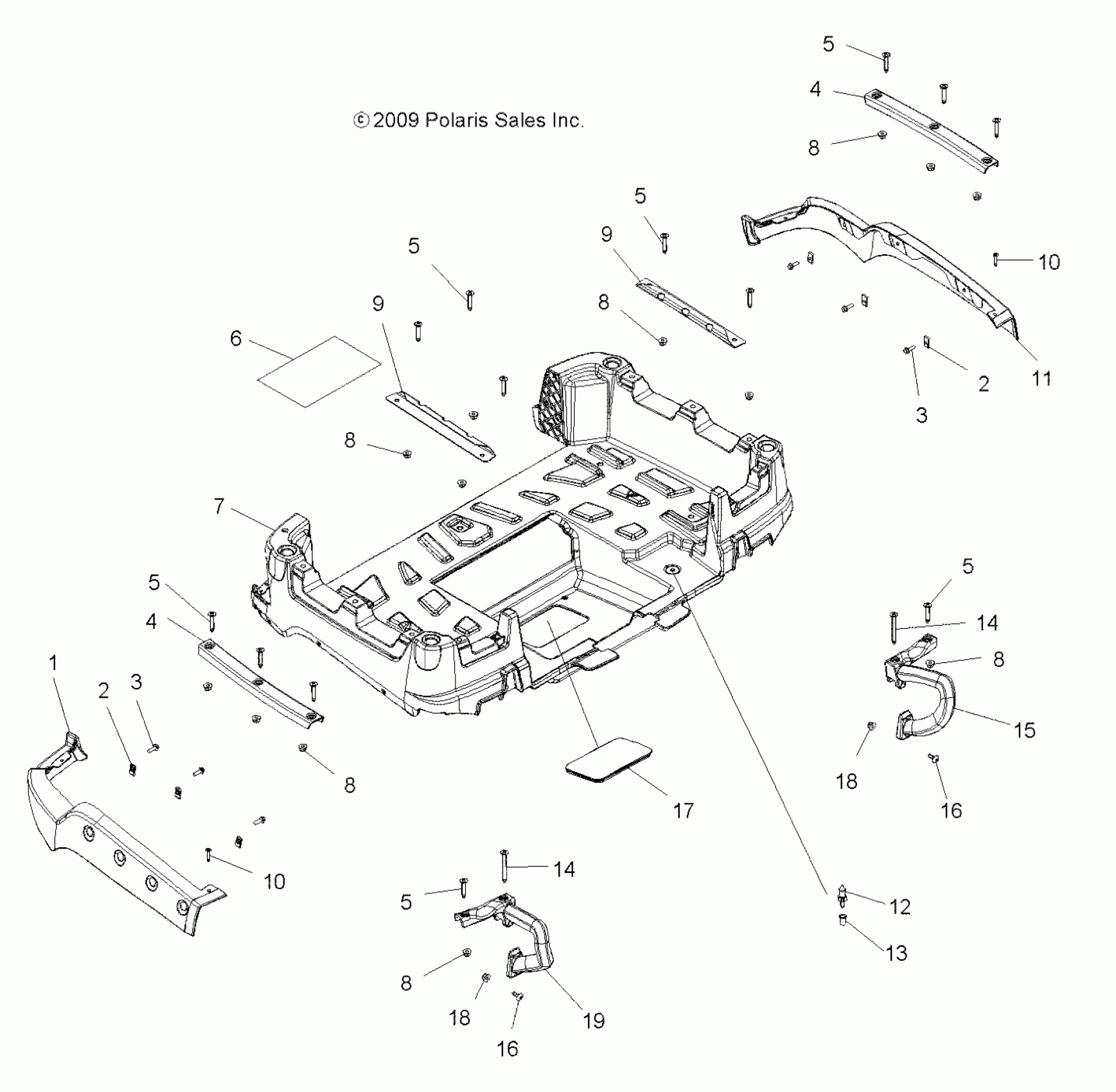
BODY, BOX, REAR - A09TN50AX/AZ (49ATVBOXRR09SPX25)
Polaris SPORTSMAN X2 500 EFI - A09TN50AX/AZ BODY, BOX, REAR - A09TN50AX/AZ (49ATVBOXRR09SPX25) Diagram
#
Description
Price
7
Box, Rear, Base, Black
5437654-070
Unavailable
