- Partiron
- OEM Parts
- Polaris
- ATV
- 2007
- SPORTSMAN X2 500 EFI - A07TH50AL/AQ/AU/AZ/TN50AF/AS/AU
ELECTRICAL - A07TH50AL/AQ/AU/AZ/TN50AF/AS/AU (49ATVELECTX2500EFI)
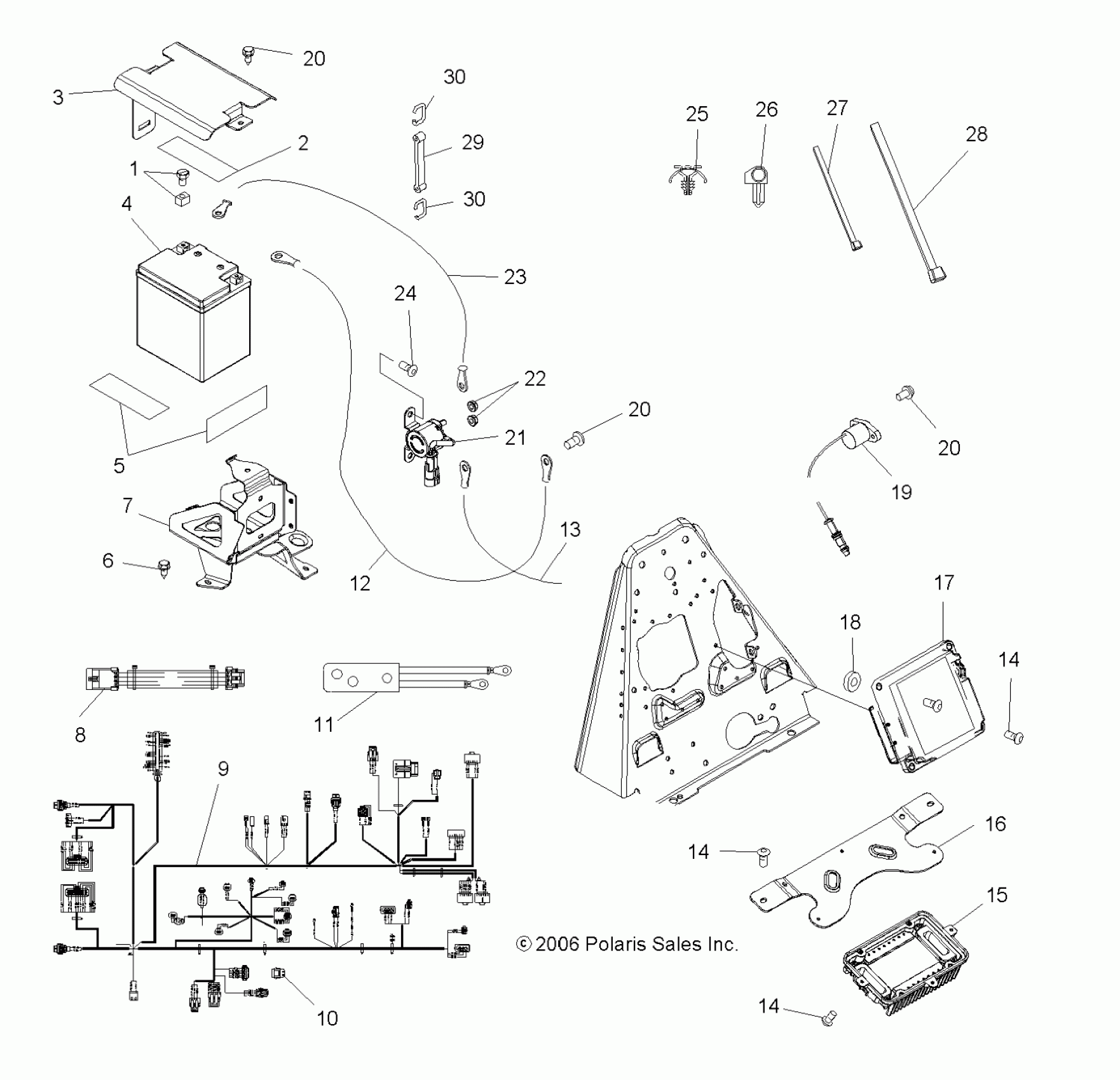
Polaris SPORTSMAN X2 500 EFI - A07TH50AL/AQ/AU/AZ/TN50AF/AS/AU ELECTRICAL - A07TH50AL/AQ/AU/AZ/TN50AF/AS/AU (49ATVELECTX2500EFI) Diagram
#
Description
Price
2
Pad, Battery [If built after 9/20/06]
5813165
Unavailable
4
Battery
4010595
Unavailable
7
Box, Battery, Black [If built after 9/20/06]
1015903-067
Unavailable
9
Harness, Main [Incl. 10, All Harness Kits, Fuse Link Kit]
2410613
Unavailable
11
Harness, Winch Prewire [TH50AL/AQ/AU/AZ]
2410860
Unavailable
16
Bracket, Module
5249459
Unavailable
17
ECM, Service
4012443
Unavailable
19
COIL, IGNITION
4011834
Unavailable
21
Switch, Magnetic
4010947
Unavailable
