- Partiron
- OEM Parts
- Polaris
- ATV
- 2013
- SPORTSMAN TOURING 500 HO - A13DH50AX/AZ
DRIVE TRAIN, MAIN GEARCASE - A13DH50AX/AZ (49ATVGEARCASE11SP500TRG)
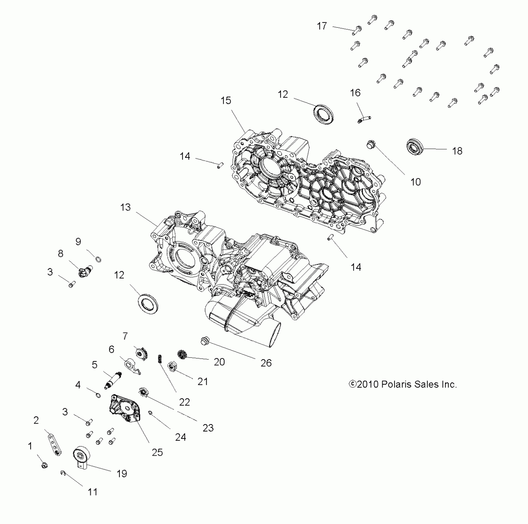
Polaris SPORTSMAN TOURING 500 HO - A13DH50AX/AZ DRIVE TRAIN, MAIN GEARCASE - A13DH50AX/AZ (49ATVGEARCASE11SP500TRG) Diagram
#
Description
Price
-
Asm., Gearcase, No Diff [Incl. All]
1332579
Unavailable
10
Plug, Hex
3233194
Unavailable
13
Gearcase, RH
3234261
Unavailable
19
SWITCH
3233835
Unavailable
21
DISC, LOCKOUT
3234081
Unavailable
26
Plug
3234529
Unavailable
