- Partiron
- OEM Parts
- Polaris
- ATV
- 2013
- SPORTSMAN TOURING 500 HO - A13DH50AX/AZ
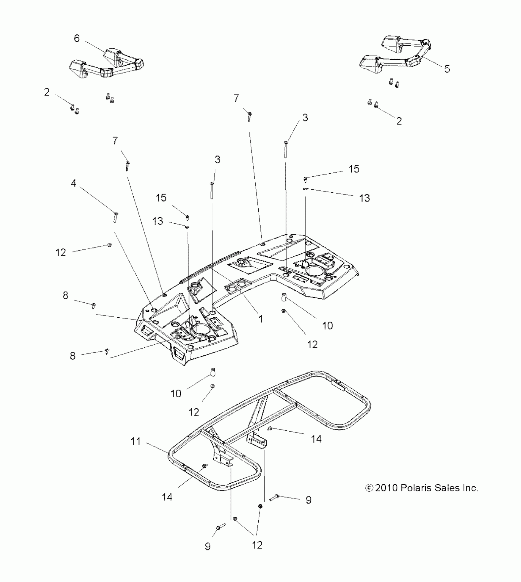
BODY, REAR RACK ASM. - A13DH50AX/AZ (49ATVRACKMTG11SP500TRG)
Polaris SPORTSMAN TOURING 500 HO - A13DH50AX/AZ BODY, REAR RACK ASM. - A13DH50AX/AZ (49ATVRACKMTG11SP500TRG) Diagram
#
Description
Price
11
Support, Rear Rack, Black
1016114-067
Unavailable
