SPORTSMAN TOURING 500 HO - A11DH50AX/AZ
BODY, ASM., BOX, FRONT - A11DH50AX/AZ (49ATVRACKMTG11SP500)
BODY, CLUTCH COVER - A11DH50AX/AZ (49ATVCLUTCHCVR10SP500TRG)
BODY, DECALS - A11DH50AX/AZ (49ATVDECAL11SP500TRG)
BODY, FRONT BUMPER and MOUNTING - A11DH50AX/AZ (49ATVBUMPER11SP500TRG)
BODY, FRONT CAB and SIDE PANELS - A11DH50AX/AZ (49ATVCAB11SP500)
BODY, FUEL TANK ASM. - A11DH50AX/AZ (49ATVFUEL11SP500TRG)
BODY, HEADLIGHT POD - A11DH50AX/AZ (49ATVHEADLIGHT09SP500)
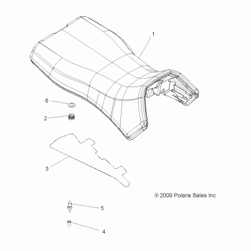
BODY, OPERATOR SEAT - A11DH50AX/AZ (49ATVSEAT10SP500TRG)
BODY, PASSENGER SEAT BOTTOM and SEAT BACK - A11DH50AX/AZ (49ATVSEATBOTTOM10SP500TRG)
BODY, REAR CAB and FOOTWELLS - A11DH50AX/AZ (49ATVCABRR09SPTRG500)
BODY, REAR CAB FOIL - A11DH50AX/AZ (49ATVCABFOIL08SPTRG500)
BODY, REAR RACK ASM. - A11DH50AX/AZ (49ATVRACKMTG11SP500TRG)
BODY, REAR STORAGE BOX - A11DH50AX/AZ (49ATVSTORAGERR10SP500TRG)
BRAKES, BRAKE LINES - A11DH50AX/AZ (49ATVBRAKELINE11SP500TRG)
BRAKES, FRONT BRAKE LEVER and MASTER CYLINDER - A11DH50AX/AZ (4999204069920406B08)
BRAKES, FRONT CALIPER - A11DH50AX/AZ (49ATVBRAKEFRT08SP500)
BRAKES, PEDAL and REAR MASTER CYLINDER - A11DH50AX/AZ (49ATVBRAKERR11SP500TRG)
BRAKES, REAR CALIPER - A11DH50AX/AZ (49ATVCALIPER10SP500TRG)
CHASSIS, FRAME - A11DH50AX/AZ (49ATVFRAME11SPTRG500)
DRIVE TRAIN, FRONT DRIVE SHAFT - A11DH50AX/AZ (49ATVSHAFTDRIVE1332881)
DRIVE TRAIN, FRONT GEARCASE (Built 9/27/10 and Before) - A11DH50AX/AZ (49RGRTRANSINTL1332773)
DRIVE TRAIN, FRONT GEARCASE (Built 9/28/10 and After) - A11DH50AX/AZ (49RGRTRANSINTL1332956)
DRIVE TRAIN, FRONT GEARCASE MOUNTING - A11DH50AX/AZ (49ATVGEARCASEMTG500EFI)
DRIVE TRAIN, GEAR SELECTOR - A11DH50AX/AZ (49ATVGEARSELECT09SPTRG500)
DRIVE TRAIN, MAIN GEARCASE - A11DH50AX/AZ (49ATVGEARCASE11SP500TRG)
DRIVE TRAIN, MAIN GEARCASE INTERNAL - A11DH50AX/AZ (49ATVTRANSINTL1332579)
DRIVE TRAIN, MAIN GEARCASE MOUNTING - A11DH50AX/AZ (49ATVGEARCASEMTG08SPTRG500)
DRIVE TRAIN, MAIN GEARCASE OUTPUT SHAFT - A11DH50AX/AZ (49ATVSHAFTOUTPUT08SPX25)
DRIVE TRAIN, MAIN GEARCASE SHIFT FORKS - A11DH50AX/AZ (4999204069920406D09)
DRIVE TRAIN, PRIMARY CLUTCH - A11DH50AX/AZ (49ATVCLUTCH08SPX25)
DRIVE TRAIN, PROP SHAFT - A11DH50AX/AZ (4999204069920406C02)
DRIVE TRAIN, REAR DRIVE SHAFT - A11DH50AX/AZ (49ATVSHAFTDRIVERR1332936)
DRIVE TRAIN, SECONDARY CLUTCH - A11DH50AX/AZ (49ATVCLUTCHDRIVEN08SPX25)
ELECTRICAL, BATTERY - A11DH50AX/AZ (49ATVBATTERY11SP500TRG)
ELECTRICAL, BULBS - A11DH50AX/AZ (49ATVBULBS11SP500TRG)
ELECTRICAL, GAUGES and INDICATORS - A11DH50AX/AZ (49ATVGAUGES08SP500)
ELECTRICAL, HARNESSES - A11DH50AX/AZ (49ATVHARNESS11SP500TRG)
ELECTRICAL, HEADLIGHTS - A11DH50AX/AZ (49ATVHEADLIGHT11SP500)
ELECTRICAL, IGNITION SYSTEM - A11DH50AX/AZ (49ATVMAGNETO11SP500TRG)
ELECTRICAL, SWITCHES, SENSORS and ECM - A11DH50AX/AZ (49ATVELECT10SP500TRG)
ELECTRICAL, TAILLIGHTS - A11DH50AX/AZ (49ATVTAILLAMPS09SPTRG800)
ENGINE, AIR INTAKE SYSTEM - A11DH50AX/AZ (49ATVAIRBOX10SP500TRG)
ENGINE, CARBURETOR MOUNTING and FUEL LINES - A11DH50AX/AZ (49ATVCARBBRKT11SP500I)
ENGINE, CARBURETOR, LOWER - A11DH50AX/AZ (4999200099920009D08)
ENGINE, CARBURETOR, UPPER - A11DH50AX/AZ (49ATVCARBUPPER08SP500)
ENGINE, COOLING SYSTEM - A11DH50AX/AZ (49ATVCOOL11SP500TRG)
ENGINE, CRANKCASE - A11DH50AX/AZ (49ATVCRANKCASE11SP500)
ENGINE, CRANKSHAFT and PISTON - A11DH50AX/AZ (49ATVCRANKSHAFT08SP500)
ENGINE, CYLINDER and HEAD - A11DH50AX/AZ (49ATVCYLINDER08SP500)
ENGINE, EXHAUST - A11DH50AX/AZ (49ATVEXHAUST10SPTRG500)
ENGINE, FLYWHEEL COVER - A11DH50AX/AZ (49RGRFLYWHEELCVR11500EFI)
ENGINE, FUEL PUMP - A11DH50AX/AZ (49ATVFUELPUMP11SP500)
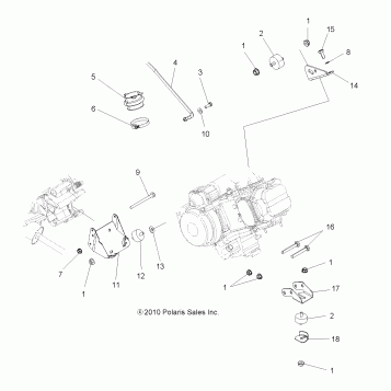
ENGINE, MOUNTING - A11DH50AX/AZ (49ATVENGINEMTG11SP500TRG)
ENGINE, OIL FILTER - A11DH50AX/AZ (4999200099920009D13)
ENGINE, OIL PUMP - A11DH50AX/AZ (49ATVOILPUMP09SP500)
ENGINE, OIL SYSTEM - A11DH50AX/AZ (4999204069920406B07)
ENGINE, SHORT BLOCK - A11DH50AX/AZ (49ATVENGINE08SP500)
ENGINE, STARTING SYSTEM - A11DH50AX/AZ (49ATVSTARTER09TB)
ENGINE, VALVES and CAMSHAFT - A11DH50AX/AZ (49ATVVALVE08SP500)
ENGINE, WATER PUMP - A11DH50AX/AZ (49ATVWATERPUMP10SP500)
REFERENCE, MANUALS and INFORMATION - A11DH50AX/AZ (49ATVOM07OTLW90)
STEERING, CONTROLS and THROTTLE - A11DH50AX/AZ (49ATVCONTROLS10SPTRG500)
STEERING, HANDLEBAR and CONTROLS - A11DH50AX/AZ (49ATVHANDLEBAR09SP500)
STEERING, STEERING POST - A11DH50AX/AZ (49ATVSTEERING11SP500TRG)
SUSPENSION, A-ARM and STRUT MOUNTING - A11DH50AX/AZ (49ATVAARM08SPX25)
SUSPENSION, FRONT STRUT - A11DH50AX/AZ (49ATVSTRUT10SP500I)
SUSPENSION, REAR - A11DH50AX/AZ (49ATVSUSPRR10SPTRG500)
SUSPENSION, TORSION BAR - A11DH50AX/AZ (49ATVTORSION08SPX25)
TOOLS, TOOL KIT - A11DH50AX/AZ (49ATVTOOL08SPX25)
WHEELS, FRONT - A11DH50AX/AZ (49ATVWHEELFRT10SP500TRG)
WHEELS, REAR - A11DH50AX/AZ (49ATVWHEELREAR10SP500TRG)
Fuel Your Passion
Parts That Keep You Riding
Edit ride