- Partiron
- OEM Parts
- Polaris
- ATV
- 2008
- SPORTSMAN TOURING 500 EFI QUAD - A08DN50EA
ENGINE, MOUNTING - A08DN50EA (49ATVENGINEMTG08SPX25)
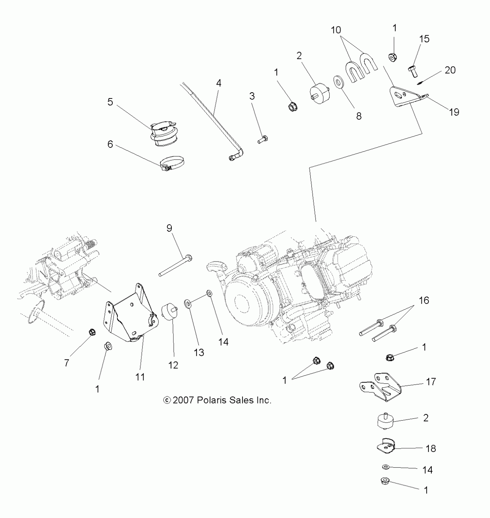
Polaris SPORTSMAN TOURING 500 EFI QUAD - A08DN50EA ENGINE, MOUNTING - A08DN50EA (49ATVENGINEMTG08SPX25) Diagram
#
Description
Price
3
BOLT, FLANGE
3084874
Unavailable
5
BOOT, CLUTCH INTAKE
5412487
Unavailable
10
Shim, .080
5210760
Unavailable
10
Shim, .030
5211517
Unavailable
11
Mount, Engine, Rear, Black
1015648-067
Unavailable
12
ISOLATOR
3022076
Unavailable
