- Partiron
- OEM Parts
- Polaris
- ATV
- 2018
- SPORTSMAN TOURING 1000 (R12) - A18SYE95BU
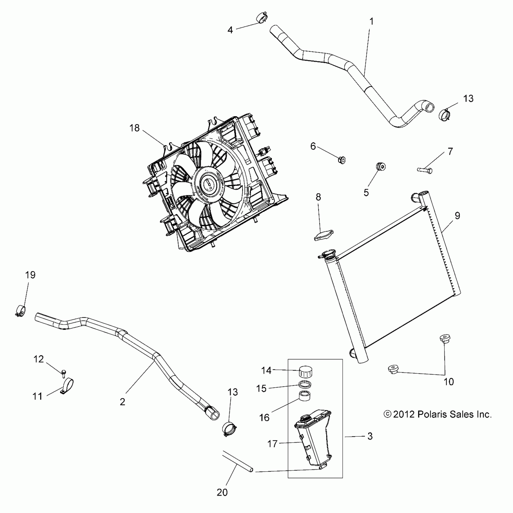
ENGINE, COOLING SYSTEM - A18SYE95BU
Polaris SPORTSMAN TOURING 1000 (R12) - A18SYE95BU ENGINE, COOLING SYSTEM - A18SYE95BU Diagram
#
Description
Price
9
ASM., RADIATOR [INCL. 3,5,8-10,18]
1240702
Unavailable
11
CLAMP-HOSE,1.312 VINYL COATED
7080851
Unavailable
17
BOTTLE, COOLANT RECOVERY
5437257
Unavailable
18
FAN
2412286
Unavailable
