- Partiron
- OEM Parts
- Polaris
- ATV
- 2012
- SPORTSMAN FOREST 5OO - A12MH50FF/FX/FY
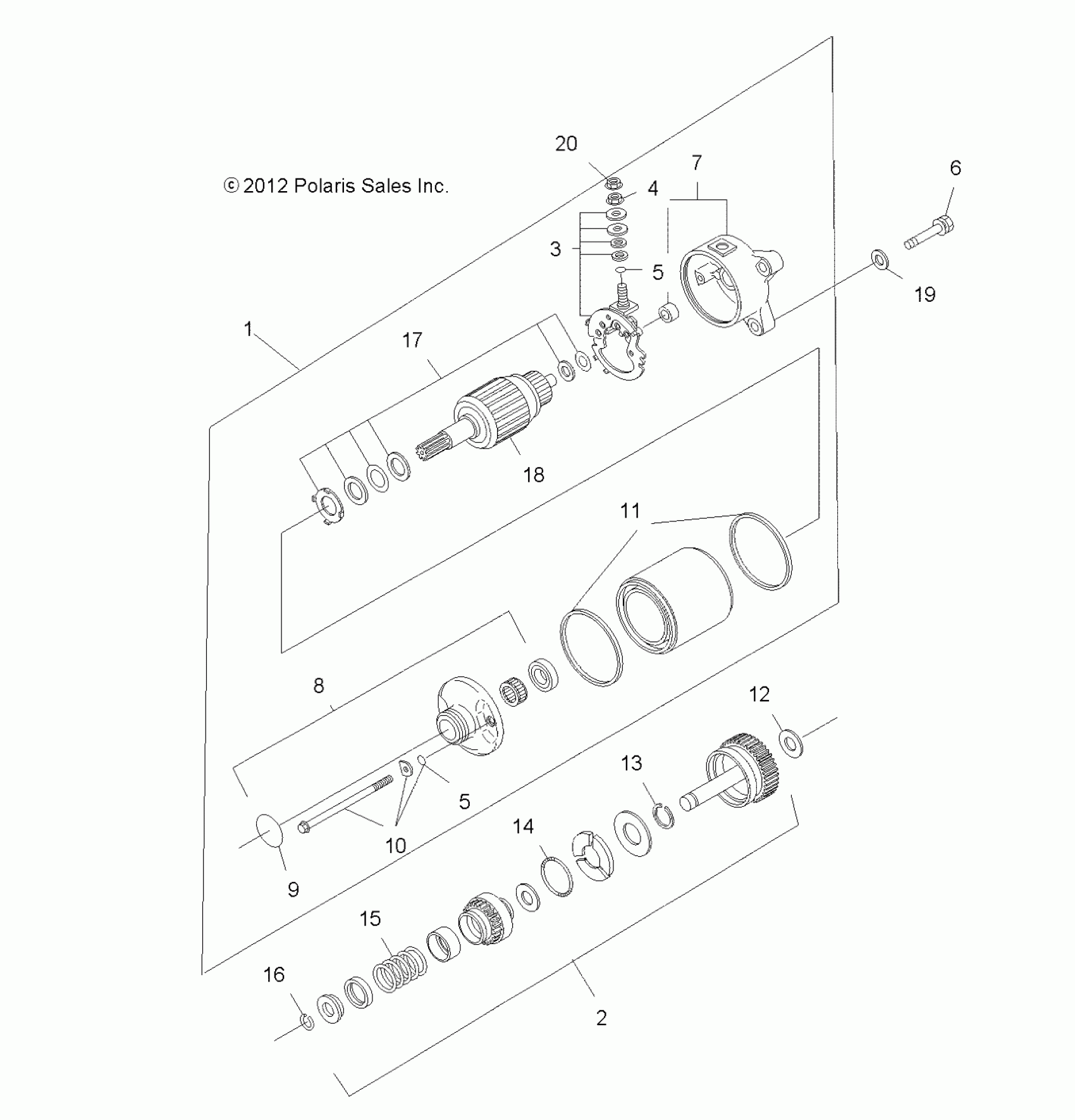
ENGINE, STARTING SYSTEM (Built 10/09/11 and Before) - A12MH50FF/FX/FY (49ATVSTARTER12SP500)
Polaris SPORTSMAN FOREST 5OO - A12MH50FF/FX/FY ENGINE, STARTING SYSTEM (Built 10/09/11 and Before) - A12MH50FF/FX/FY (49ATVSTARTER12SP500) Diagram
#
Description
Price
2
Asm., Gear Shaft [Incl. 13-16]
3090327
Unavailable
5
O-RING
3084408
Unavailable
5
O-RING
3084408
Unavailable
11
RING, RUBBER
3084405
Unavailable
12
WASHER
3240134
Unavailable
17
Set, Washer
3084982
Unavailable
18
Asm., Armature
3085353
Unavailable
