- Partiron
- OEM Parts
- Polaris
- ATV
- 2012
- SPORTSMAN FOREST 5OO - A12MH50FF/FX/FY
ENGINE, CYLINDER and HEAD - A12MH50FF/FX/FY (49ATVCYLINDER12SP500F)
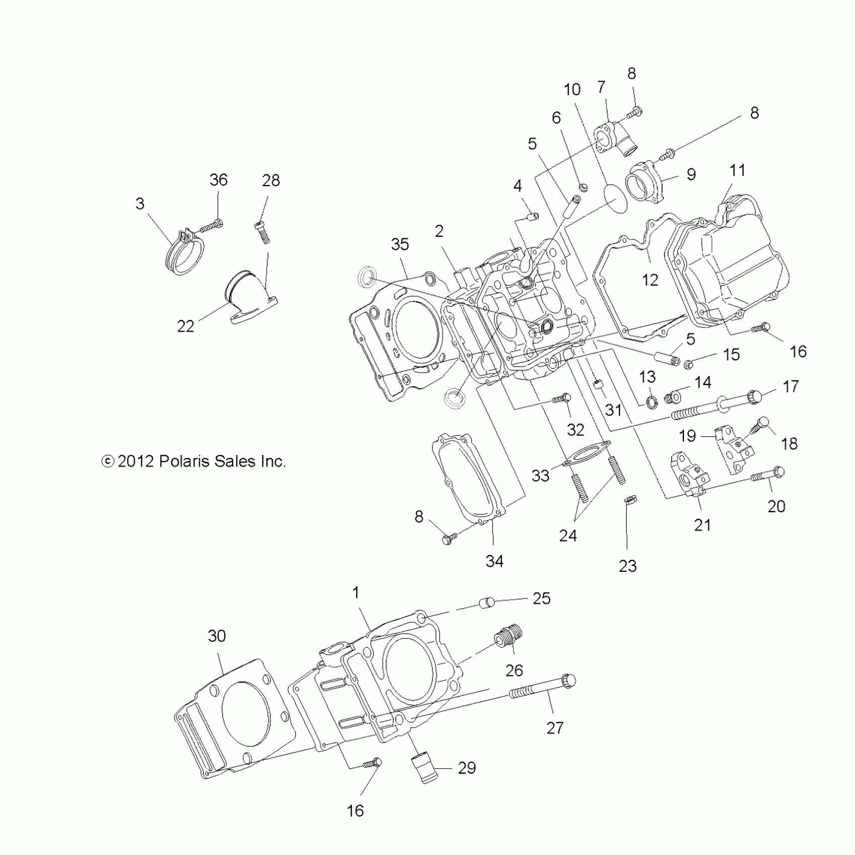
Polaris SPORTSMAN FOREST 5OO - A12MH50FF/FX/FY ENGINE, CYLINDER and HEAD - A12MH50FF/FX/FY (49ATVCYLINDER12SP500F) Diagram
#
Description
Price
4
Pin, Straight
3084857
Unavailable
8
BOLT, FLANGE
3084877
Unavailable
8
BOLT, FLANGE
3084877
Unavailable
8
BOLT, FLANGE
3084877
Unavailable
9
ADAPTER, CAMSHAFT
3084866
Unavailable
16
BOLT, FLANGE
3084874
Unavailable
16
BOLT, FLANGE
3084874
Unavailable
17
BOLT
3084875
Unavailable
18
BOLT, ROCKER SHAFT
3085854
Unavailable
19
SUPPORT, VALVE ROCKER SHAFT
3084864
Unavailable
22
ADAPTER
3085809
Unavailable
24
STUD
3090095
Unavailable
25
PIPE, KNOCK
3087266
Unavailable
26
UNION
3089956
Unavailable
27
BOLT, FLANGE
3084873
Unavailable
29
PIPE, WATER
3090290
Unavailable
31
PLUG, BLIND
3084862
Unavailable
