Partiron

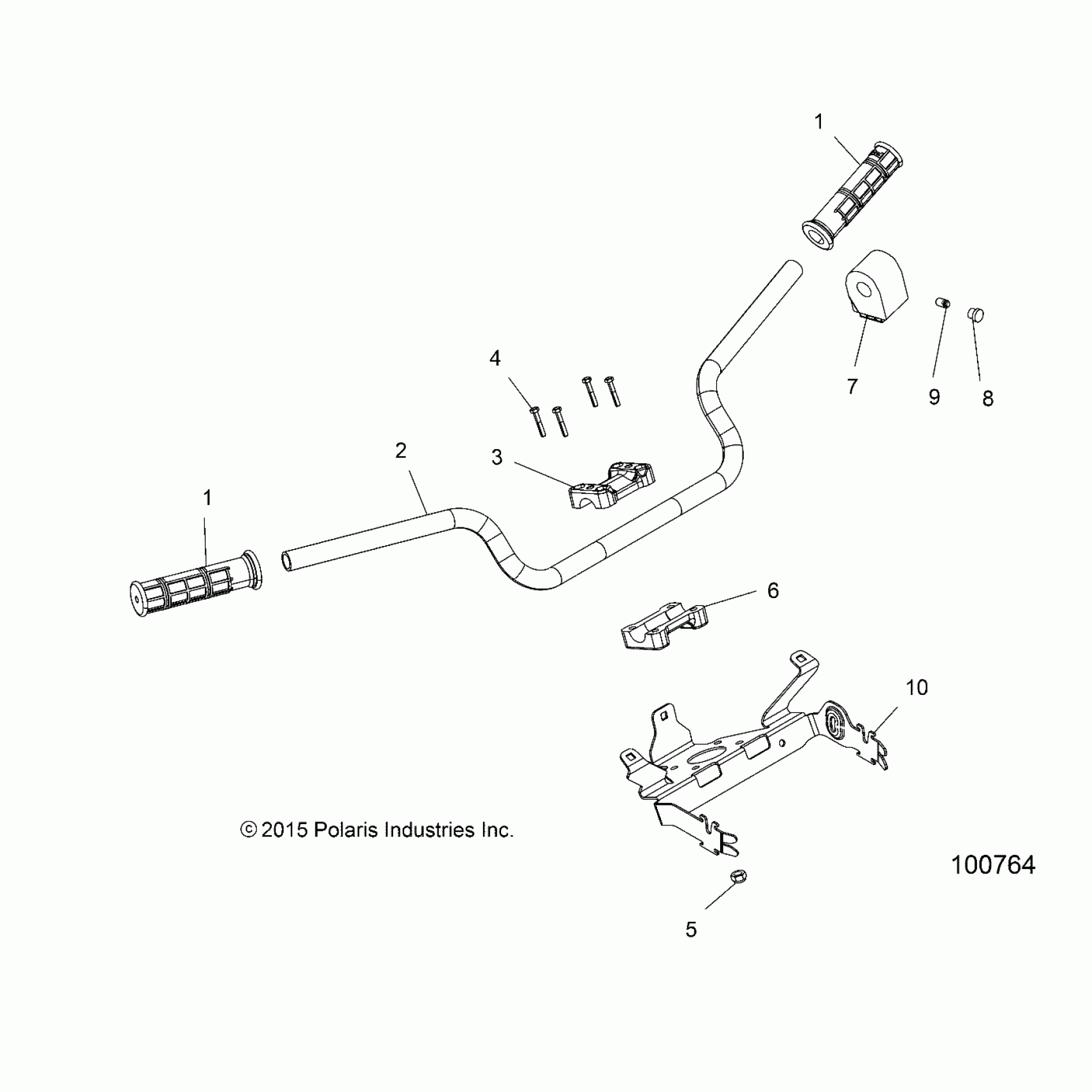
Polaris SPORTSMAN 850 SP (R13) - A18SXA85B1/B7/SXE85BM/BS/B9 STEERING, HANDLEBAR and CONTROLS - A18SXA85B1/B7/SXE85BM/BS/B9 (100764) Diagram

#

Description
Price

1

GRIP, HANDLEBAR, BLACK

5413578-070

$23.99

1

GRIP, HANDLEBAR, BLACK

5413578-070

$23.99

2

TUBE, HANDLEBAR, BLACK

5340124-067

$87.99

3

BLOCK, HANDLEBAR, PEGGED

5631972

$27.99

4

SCREW

7515189

Unavailable

5

Nut, Nylok

7542122

$1.49

6

BLOCK, HANDLEBAR

5631973

$27.99

7

CONTROL, LH, HI/LO/OFF

4011835

$38.60

8

PLUG, HOLE

5432952

$5.59

9

SCREW, SET

7517625

$4.79

10

BRKT-POD, BLK

5263262-329

$51.99