- Partiron
- OEM Parts
- Polaris
- ATV
- 2010
- SPORTSMAN 800 EFI - A10MH76AJ/MN76AX/AZ
ENGINE, COOLING SYSTEM - A10MH76AJ/MN76AX/AZ (49ATVCOOL10SP800)
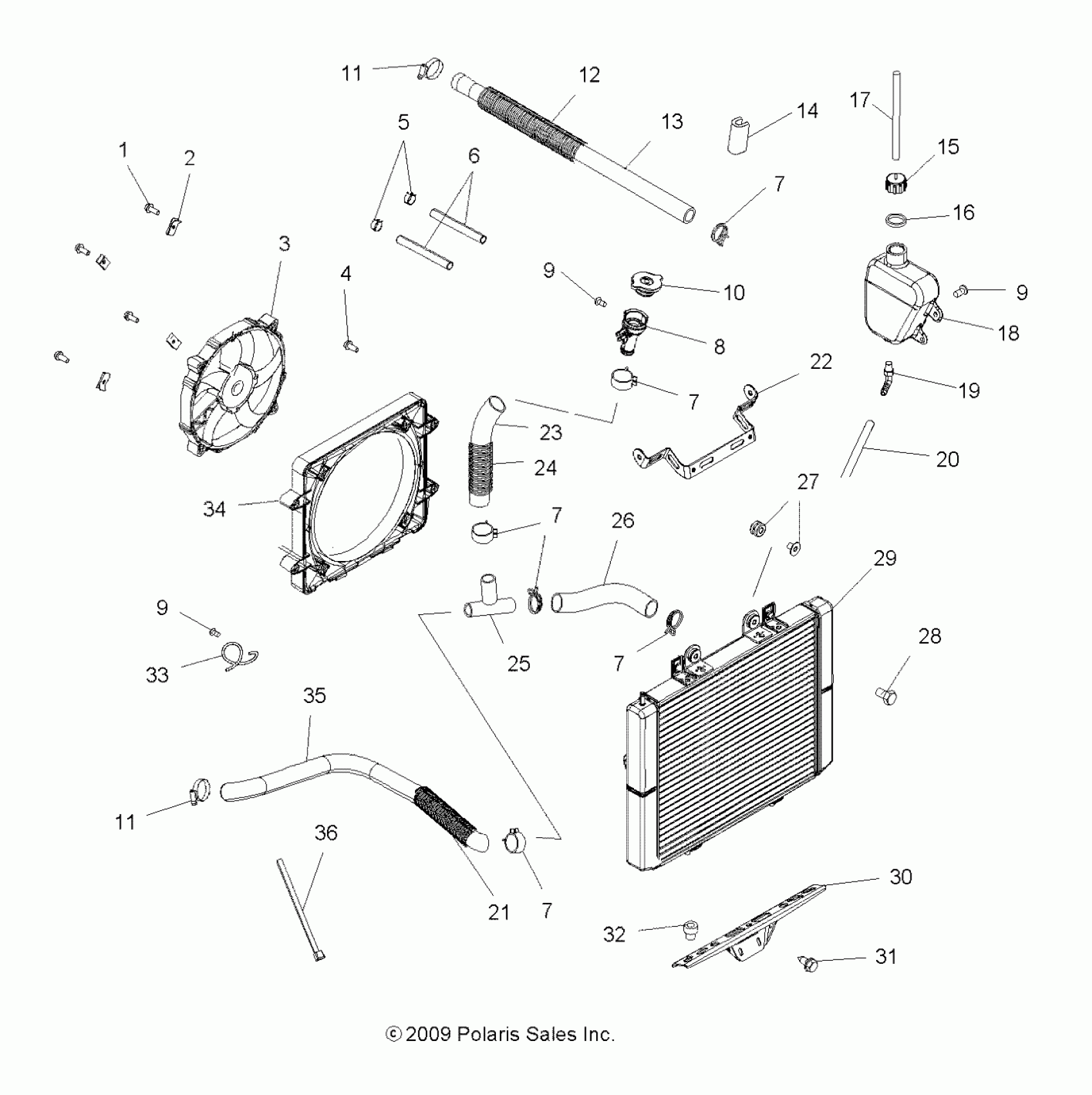
Polaris SPORTSMAN 800 EFI - A10MH76AJ/MN76AX/AZ ENGINE, COOLING SYSTEM - A10MH76AJ/MN76AX/AZ (49ATVCOOL10SP800) Diagram
#
Description
Price
3
Kit, Fan [Incl. Circuit Breaker][Built 3/15/10 and Before]
2204192
Unavailable
8
FILLER, REMOTE, COOLANT
5438110
Unavailable
12
CONDUIT, FLEX
5521794-17
Unavailable
14
Trim, Edge
5521131
Unavailable
21
Conduit, Flex
5521287-08
Unavailable
22
Bracket, Radiator Mount, Upper
5246656
Unavailable
24
CONDUIT, FLEX
5521794-17
Unavailable
26
Hose, Lower Radiator
5413673
Unavailable
