- Partiron
- OEM Parts
- Polaris
- ATV
- 2007
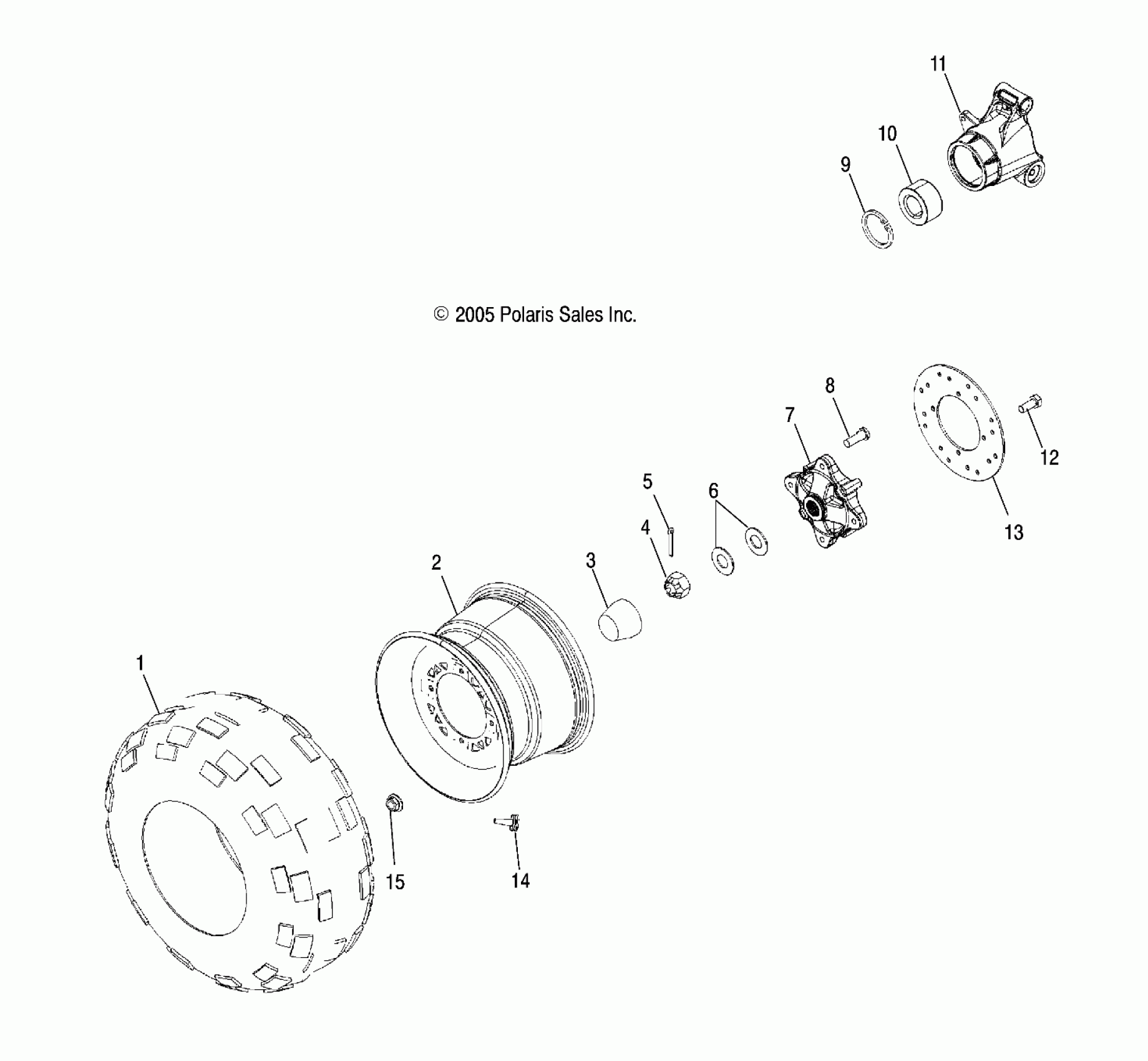
- SPORTSMAN 800 EFI - A07MH76AL/AQ/AX/AY/AZ/A2/MN76AF/AT/AY
WHEEL, REAR - A07MH76AQ/AX/AY/AZ/MN76AT (4999200299920029C09)
Polaris SPORTSMAN 800 EFI - A07MH76AL/AQ/AX/AY/AZ/A2/MN76AF/AT/AY WHEEL, REAR - A07MH76AQ/AX/AY/AZ/MN76AT (4999200299920029C09) Diagram
#
Description
Price
2
WELD-RIM,REAR,12X8.0,BLK [MH76AQ][MH76AX]
1520457-067
Unavailable
2
Rim, Rear, NBU [MN76AT]
1520797-455
Unavailable
4
Nut, Castle
7543005
Unavailable
7
HUB, REAR WHEEL
5135113
Unavailable
10
Bearing
3585502
Unavailable
