- Partiron
- OEM Parts
- Polaris
- ATV
- 2006
- SPORTSMAN 700 EFI - A06MH68AQ
ENGINE MOUNTING - A06MH68AQ/AT/AX/AY/AZ (4999200229920022A13)
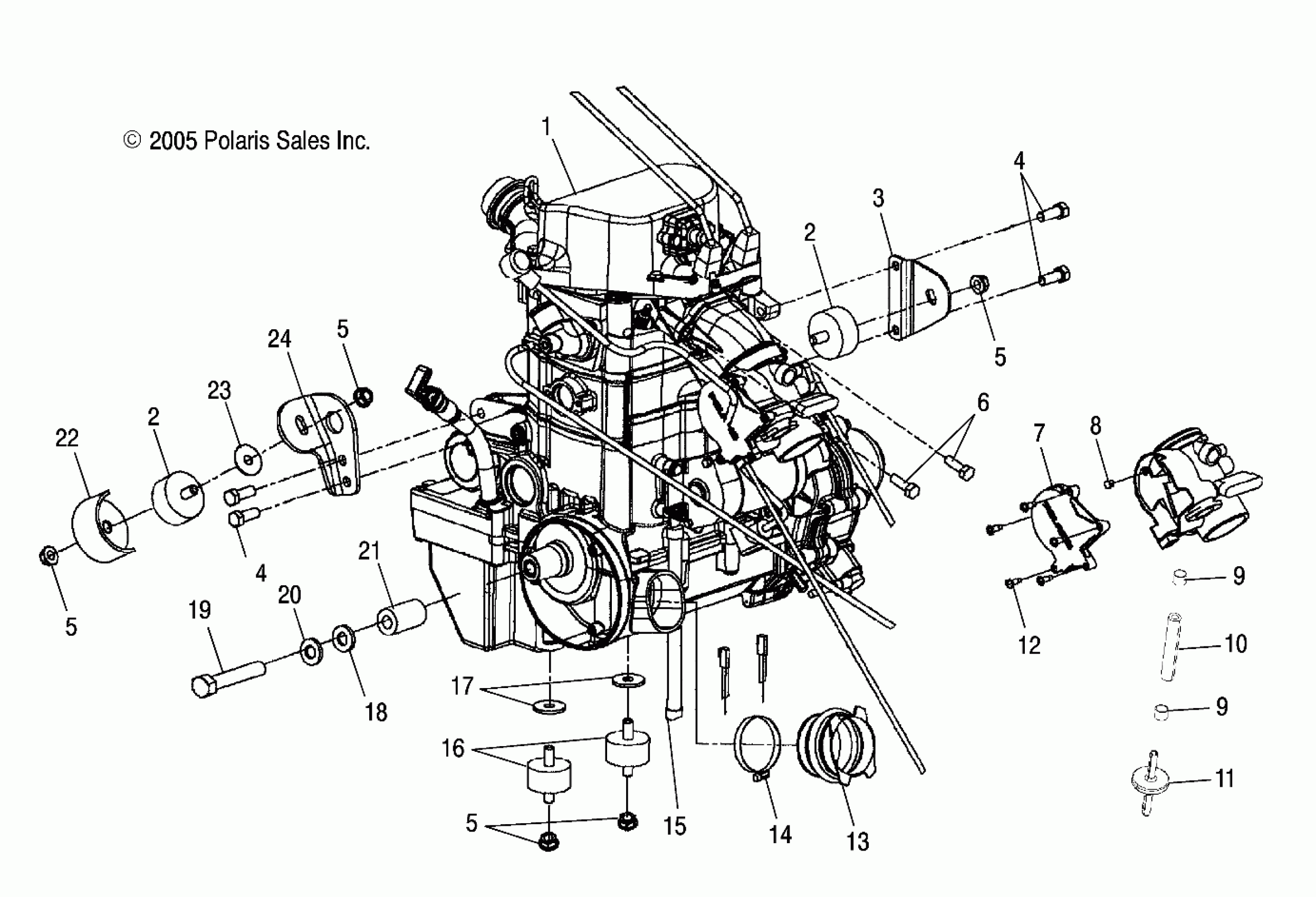
Polaris SPORTSMAN 700 EFI - A06MH68AQ ENGINE MOUNTING - A06MH68AQ/AT/AX/AY/AZ (4999200229920022A13) Diagram
#
Description
Price
1
Kit, Short Block, 700 EFI NOTE: The Short Block assembly contains a crankcase assembly, cylinder & cylinder head assembly and a piston & crankshaft assembly. Prior authorization is required for warr
2203064
Unavailable
2
Mount, Rubber, Top
3110044
Unavailable
2
Mount, Rubber, Top
3110044
Unavailable
7
ASM., COVER AND O-RING
1202578
Unavailable
8
Guide, Throttle Cable
3131514
Unavailable
10
Tubing
8350018-160
Unavailable
16
Mount, Rubber, Rear
3021119
Unavailable
19
Bolt
7518197
Unavailable
23
WASHER
7555823
Unavailable
