- Partiron
- OEM Parts
- Polaris
- ATV
- 2005
- SPORTSMAN 700 EFI - A05MH68AC
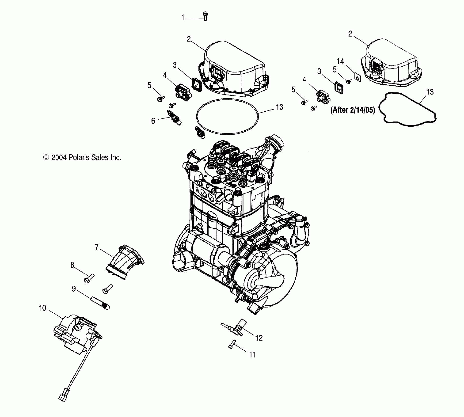
THROTTLE BODY MOUNTING - A05MH68AC/AS/AT/AU/AW (4994279427D14)
Polaris SPORTSMAN 700 EFI - A05MH68AC THROTTLE BODY MOUNTING - A05MH68AC/AS/AT/AU/AW (4994279427D14) Diagram
#
Description
Price
2
Asm., Rocker Cover (If built before 2/14/05)
1201973
Unavailable
2
Cover, Valve (If built after 2/14/05)
5134427
Unavailable
2
Asm., Rocker Cover (If built before 2/14/05)
1201973
Unavailable
2
Cover, Valve (If built after 2/14/05)
5134427
Unavailable
4
Cover, Breather
5432533
Unavailable
4
Cover, Breather
5432533
Unavailable
6
Plug, Spark, Champion RC7YC
3070195
Unavailable
9
Clamp, Hose
7081193
Unavailable
10
Asm., Body, Throttle
1202836
Unavailable
10
Sensor, Throttle Position [Must also order O-Ring]
2410342
Unavailable
13
Seal, Valve Cover (If built after 2/14/05)
5412632
Unavailable
13
Seal, Valve Cover (If built after 2/14/05)
5412632
Unavailable
14
Plate, Breather (If built after 2/14/05)
5248146
Unavailable
