- Partiron
- OEM Parts
- Polaris
- ATV
- 2006
- SPORTSMAN 700 - A06MH68AA
SUSPENSION, REAR - A06MH68AA/AD/AF (4999200179920017C09)
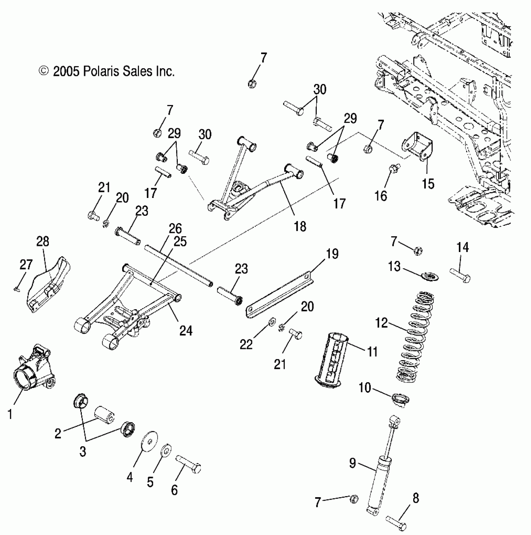
Polaris SPORTSMAN 700 - A06MH68AA SUSPENSION, REAR - A06MH68AA/AD/AF (4999200179920017C09) Diagram
#
Description
Price
19
Strap, Black
5245140-067
Unavailable
24
Control, Lower, Black, LH
1015117-067
Unavailable
24
Control, Lower, Black, RH
1015118-067
Unavailable
