- Partiron
- OEM Parts
- Polaris
- ATV
- 2005
- SPORTSMAN 700 - A05MH68AK/AN/AD
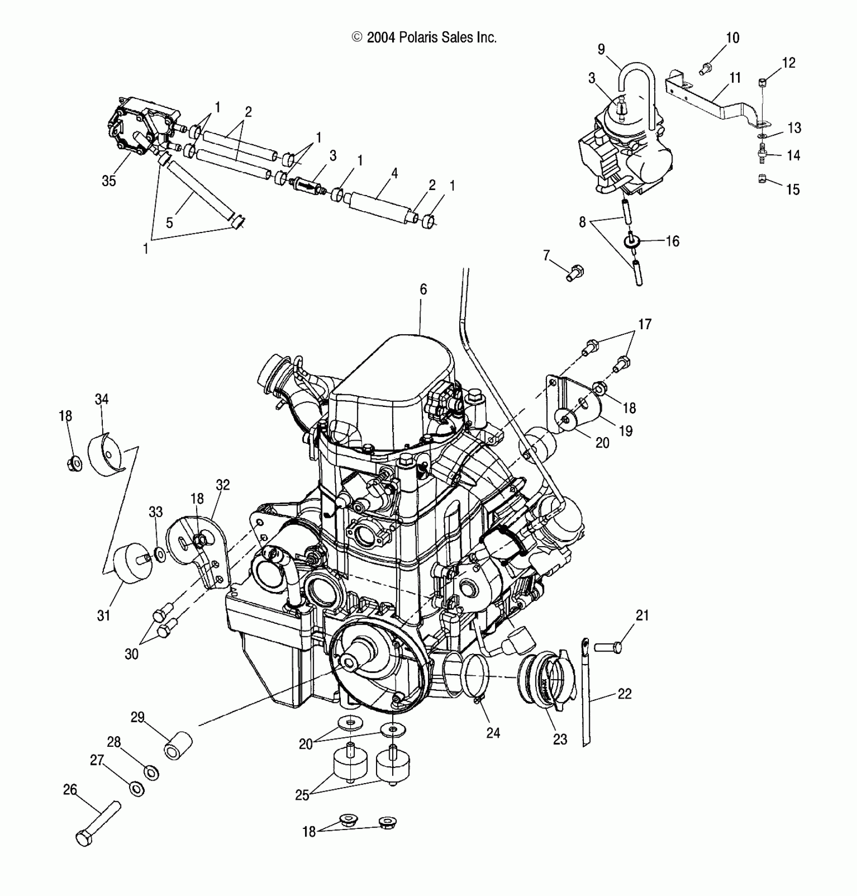
ENGINE MOUNTING - A05MH68AK/AN (4994229422B01)
Polaris SPORTSMAN 700 - A05MH68AK/AN/AD ENGINE MOUNTING - A05MH68AK/AN (4994229422B01) Diagram
#
Description
Price
2
Line, Fuel
8450103
Unavailable
2
Line, Fuel
8450103
Unavailable
5
Line, Fuel
8450040-600
Unavailable
6
Kit, Short Block, 700 ATV NOTE: The Short Block assembly contains a crankcase assembly, cylinder & cylinder head assembly and a piston & crankshaft assembly. Prior authorization is required for warr
2202855
Unavailable
8
LINE, FUEL
8360009-600
Unavailable
11
Bracket, Carburetor Mount
5247141
Unavailable
16
VALVE, CHECK
7051011
Unavailable
23
Boot, Intake (If built before 11/15/04)
5411944
Unavailable
25
Mount, Rubber
3021119
Unavailable
26
Bolt
7518197
Unavailable
31
Mount, Rubber, Top
3110044
Unavailable
33
WASHER
7555823
Unavailable
