- Partiron
- OEM Parts
- Polaris
- ATV
- 2005
- SPORTSMAN 700 - A05MH68AK/AN/AD
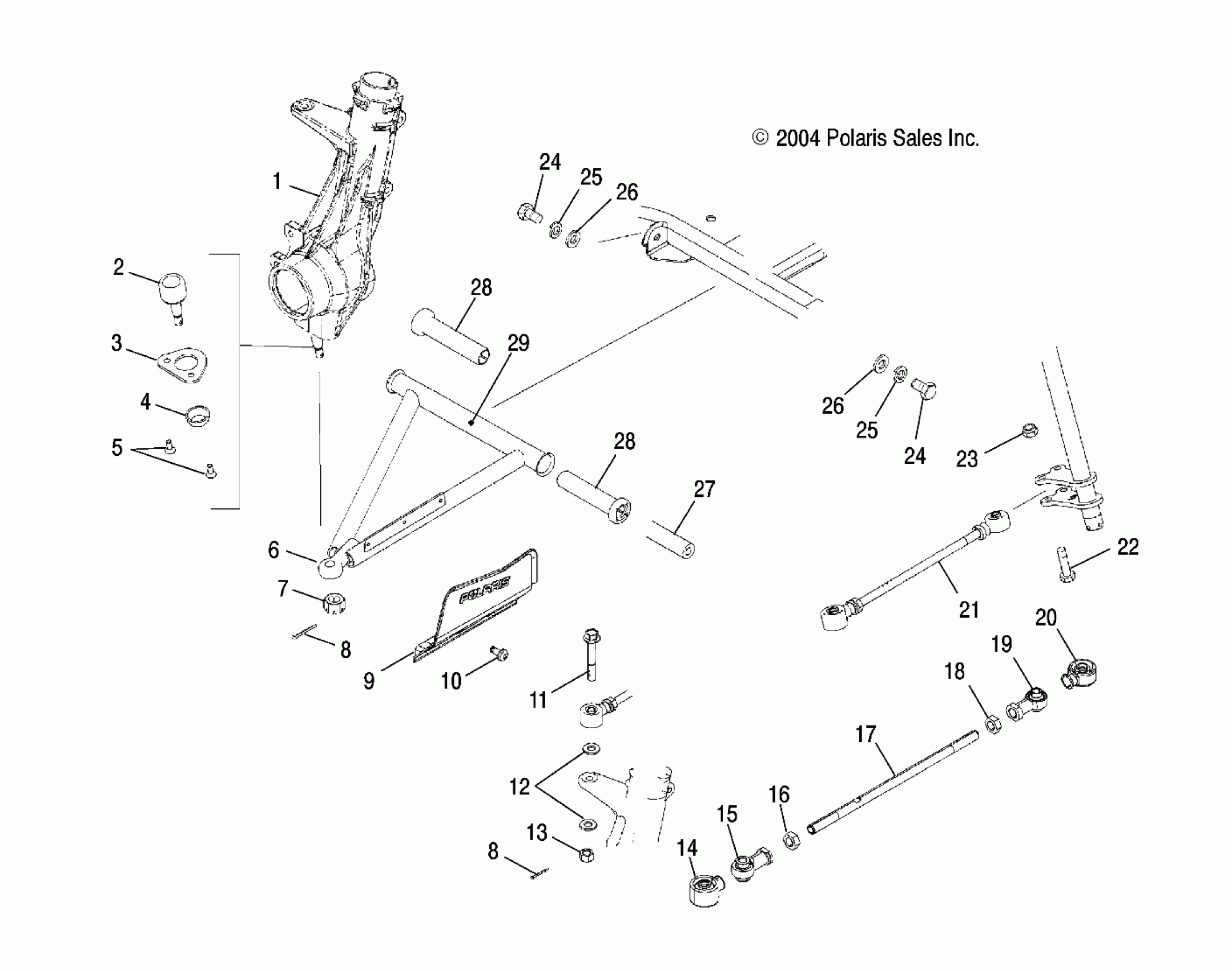
A-ARM/STRUT MOUNTING - A05MH68AK/AN/AD (4994229422C05)
Polaris SPORTSMAN 700 - A05MH68AK/AN/AD A-ARM/STRUT MOUNTING - A05MH68AK/AN/AD (4994229422C05) Diagram
#
Description
Price
1
SUPPORT HUBSTRUT [SEE FRONT STRUT PG. B14, REF. 11]
-------
Unavailable
4
Boot, Rubber
5410548
Unavailable
14
Boot, Seal, Rod End
5411920
Unavailable
15
Rod End, LH
7061054
Unavailable
20
Boot, Seal, Rod End
5411291
Unavailable
21
Asm., Tie Rod [Incl. 15-20]
1821498
Unavailable
