- Partiron
- OEM Parts
- Polaris
- ATV
- 2002
- SPORTSMAN 700 - A02CH68AA/AB/AC/CA/CB
ENGINE MOUNTING - A02CH68AA/AB/AC/CA/CB (4966346634A13)
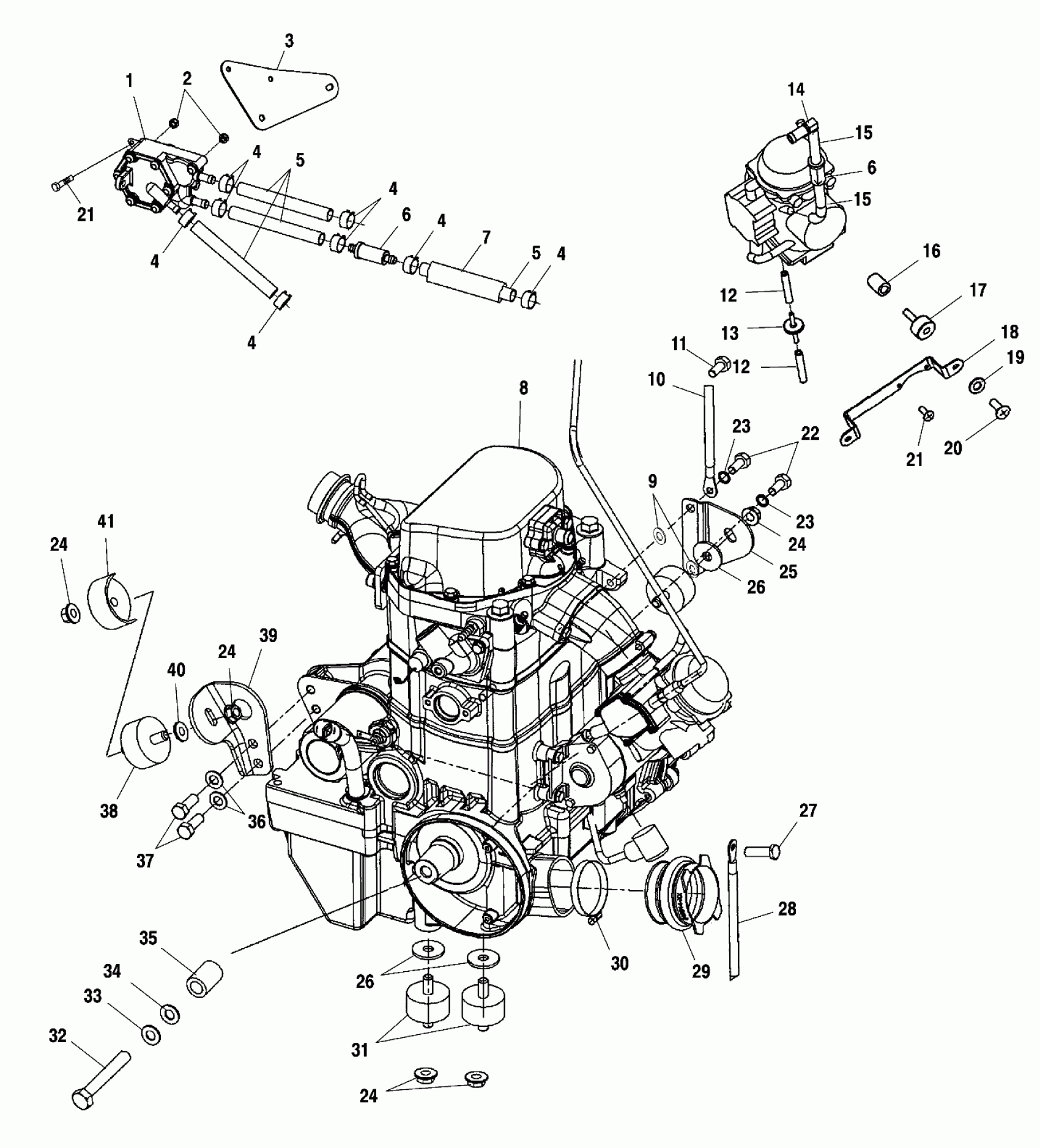
Polaris SPORTSMAN 700 - A02CH68AA/AB/AC/CA/CB ENGINE MOUNTING - A02CH68AA/AB/AC/CA/CB (4966346634A13) Diagram
#
Description
Price
3
Strap, Fuel Pump Mounting
5243829
Unavailable
5
Line, Fuel
8450040-600
Unavailable
5
Line, Fuel
8450040-600
Unavailable
7
Sheath, Foil
8450080-50
Unavailable
8
Kit, Short Block, ATV 680 02 NOTE: The Short Block assembly contains a crankcase assembly, cylinder & cylinder head assembly and a piston & crankshaft assembly. Prior authorization is required for w
2202082
Unavailable
9
WASHER
7555770
Unavailable
10
Cable, Ground, Engine
4010132
Unavailable
12
LINE, FUEL
8360009-600
Unavailable
12
LINE, FUEL
8360009-600
Unavailable
13
VALVE, CHECK
7051011
Unavailable
15
Line, Fuel
8450003-1525
Unavailable
15
Line, Fuel
8450003-1525
Unavailable
18
Bracket, Carburetor
5245519-067
Unavailable
25
Bracket, Mount, Top
5244622-067
Unavailable
28
Cable, Black
4010470
Unavailable
29
Boot, Intake
5411944
Unavailable
31
Mount, Rubber
3021119
Unavailable
38
Mount, Rubber, Top
3110044
Unavailable
40
WASHER, FLAT
7555823
Unavailable
41
Bracket, Torque Stop
5245043-067
Unavailable
