- Partiron
- OEM Parts
- Polaris
- ATV
- 2008
- SPORTSMAN 6X6 - A08CL50AA
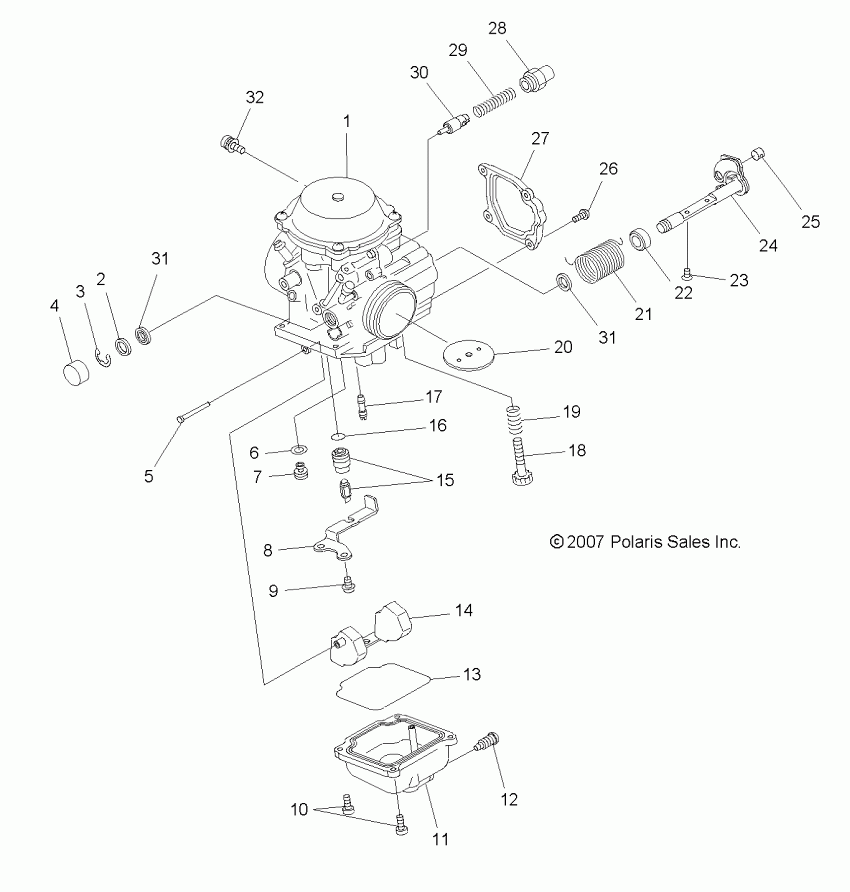
ENGINE, CARBURETOR - A08CL50AA (49ATVCARB086X6)
Polaris SPORTSMAN 6X6 - A08CL50AA ENGINE, CARBURETOR - A08CL50AA (49ATVCARB086X6) Diagram
#
Description
Price
2
PACKING
-------
Unavailable
