- Partiron
- OEM Parts
- Polaris
- ATV
- 2007
- SPORTSMAN 6X6 - A07CL50AA
SUSPENSION, STRUT, FRONT - A07CL50AA (49ATVSTRUT6X6)
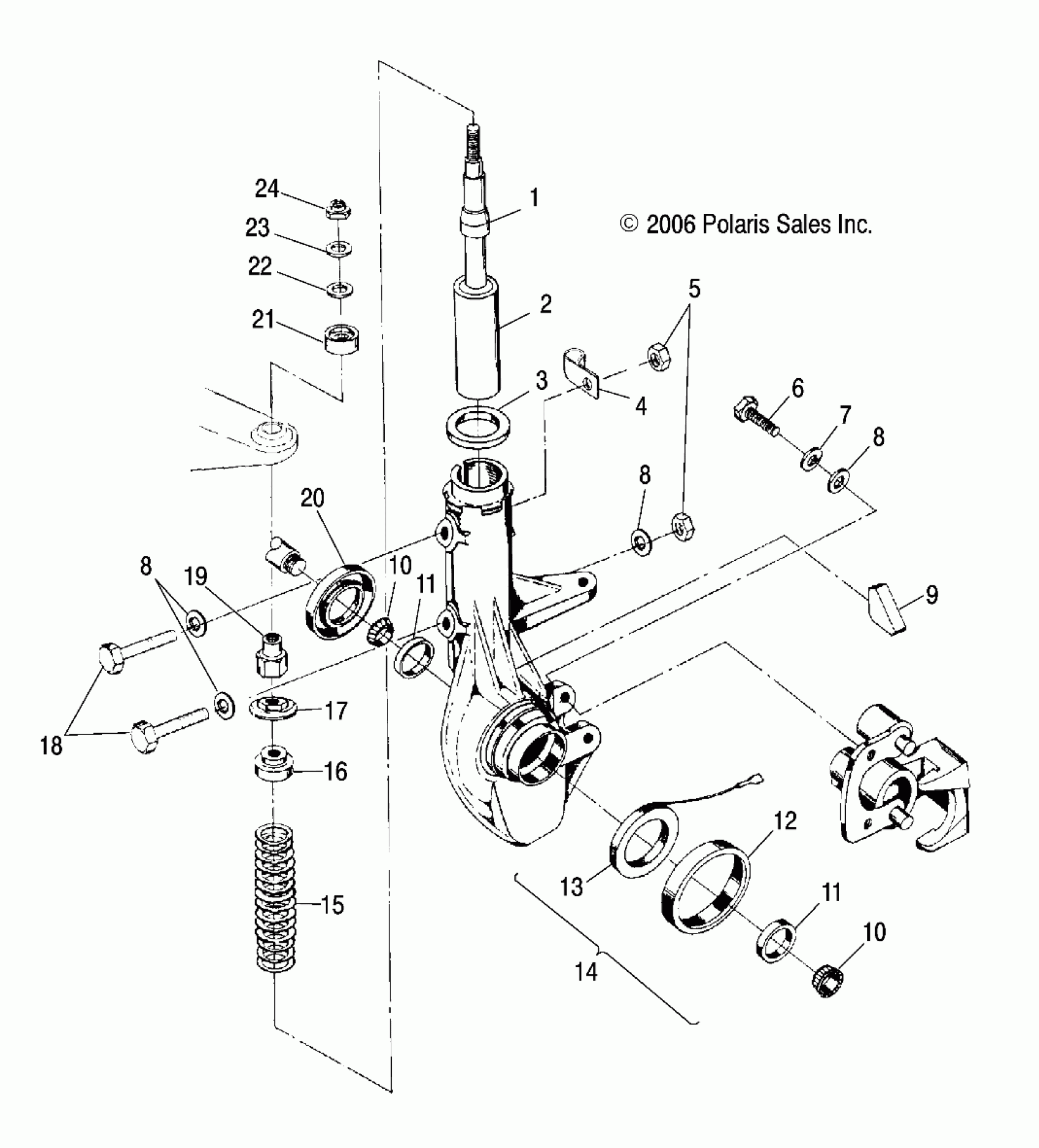
Polaris SPORTSMAN 6X6 - A07CL50AA SUSPENSION, STRUT, FRONT - A07CL50AA (49ATVSTRUT6X6) Diagram
#
Description
Price
9
Retainer, Casting Wire, Strut
5810439
Unavailable
14
Asm., Hubstrut, LH [42mm][Incl. 9,11-13,20]
1822821
Unavailable
14
Asm., Hubstrut, RH [42mm][Incl. 9,11-13,20]
1822822
Unavailable
15
Spring, Coil, Black
7041450-067
Unavailable
