- Partiron
- OEM Parts
- Polaris
- ATV
- 2004
- SPORTSMAN 6X6 - A04CL50AA
ELECTRICAL - A04CL50AA (4986288628C09)
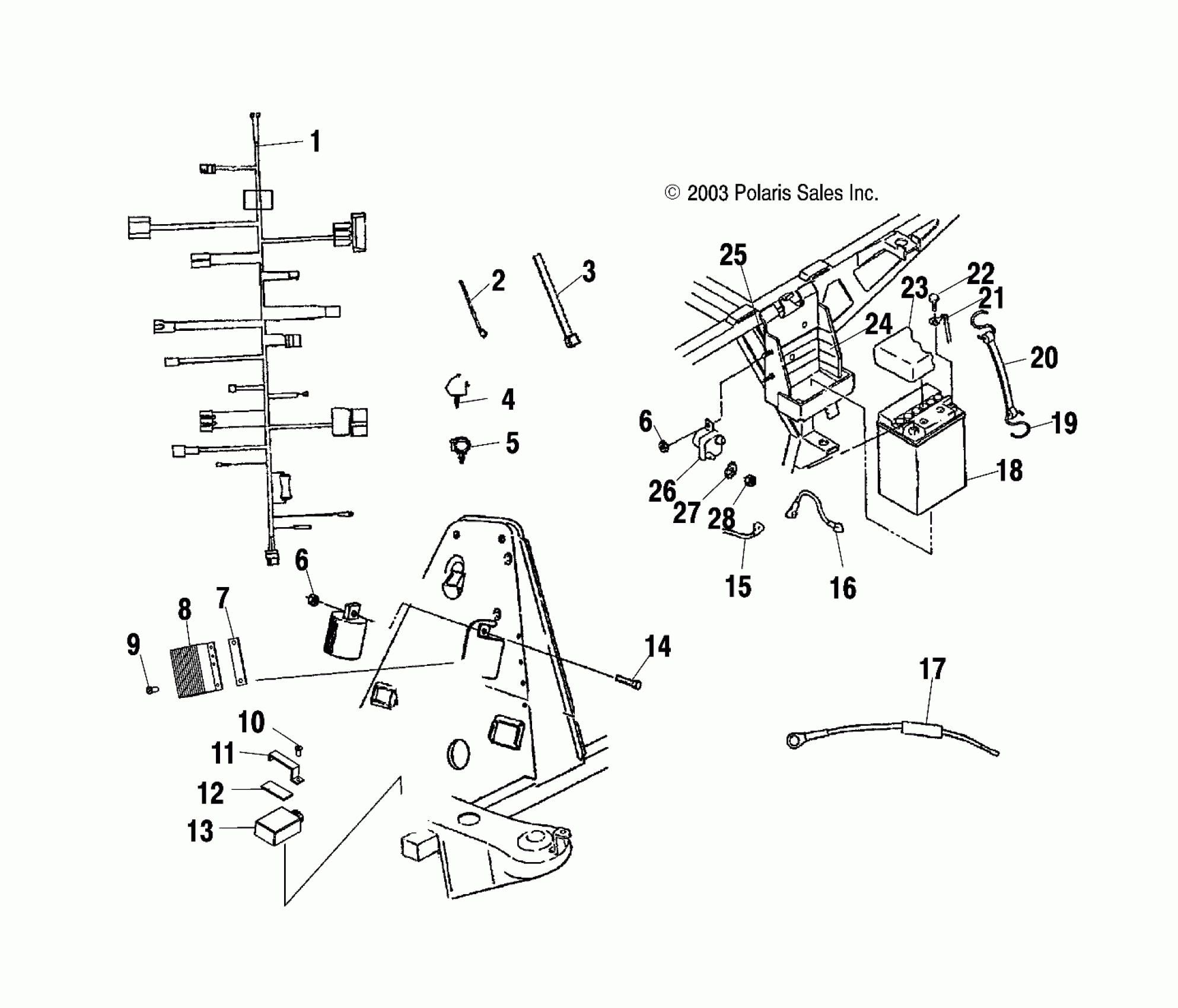
Polaris SPORTSMAN 6X6 - A04CL50AA ELECTRICAL - A04CL50AA (4986288628C09) Diagram
#
Description
Price
1
Harness, Main
2461190
Unavailable
8
Module, Controller, Fan
4010937
Unavailable
12
Pad
5810317
Unavailable
13
CDI SYSTEM [SEE MAGNETO PG. D14, REF. 15]
-------
Unavailable
16
Cable, Battery/Solenoid
4010094
Unavailable
20
Strap, Holddown, Battery (If built before 8/18/03)
5410424
Unavailable
21
Cable, Battery/Engine
4010095
Unavailable
