- Partiron
- OEM Parts
- Polaris
- ATV
- 2003
- SPORTSMAN 6X6 - A03CL50AA
ENGINE MOUNTING - A03CL50AA (4975687568A09)
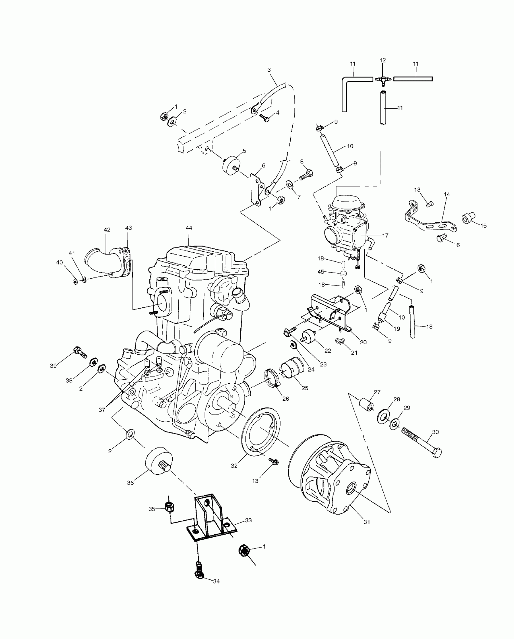
Polaris SPORTSMAN 6X6 - A03CL50AA ENGINE MOUNTING - A03CL50AA (4975687568A09) Diagram
#
Description
Price
3
Cable, Ground/Engine
4010132
Unavailable
5
Mount, Rubber, Top
3110044
Unavailable
6
BRACKET, MOUNT, ENGINE, TOP
5242674
Unavailable
10
Line, Fuel
8450040-600
Unavailable
10
Line, Fuel
8450040-600
Unavailable
11
Line, Fuel
8450003-1525
Unavailable
11
Line, Fuel
8450003-1525
Unavailable
11
Line, Fuel
8450003-1525
Unavailable
14
Bracket, Carburetor Mount
5246553
Unavailable
17
ASM., CARBURETOR [SEE CARBURETOR PG. D8, REF. 46]
-------
Unavailable
18
LINE, FUEL
8360009-600
Unavailable
18
LINE, FUEL
8360009-600
Unavailable
18
LINE, FUEL
8360009-600
Unavailable
22
Mount, Rubber
3110046
Unavailable
31
ASM., DRIVE CLUTCH [SEE DRIVE CLUTCH PG. C3 FOR DETAILS]
-------
Unavailable
32
BRACKET, RETAINER, SEAL [SEE CLUTCH COVER PG. C6, REF. 20]
-------
Unavailable
36
Mount, Motor
3110067
Unavailable
40
NUT [SEE CYLINDER PG. D6, REF. 23]
-------
Unavailable
41
WASHER, LOCK [SEE CYLINDER PG. D6, REF. 22]
-------
Unavailable
43
GASKET, EXHAUST [SEE CYLINDER PG. D6, REF. 20]
-------
Unavailable
44
Engine, Short Block [EH50PLE10] NOTE: The Short Block assembly contains a crankcase assembly, cylinder and cylinder head assembly, and a piston & crankshaft assembly. Prior authorization required f
3085556
Unavailable
45
VALVE, CHECK
7051011
Unavailable
