- Partiron
- OEM Parts
- Polaris
- ATV
- 2003
- SPORTSMAN 6X6 - A03CL50AA
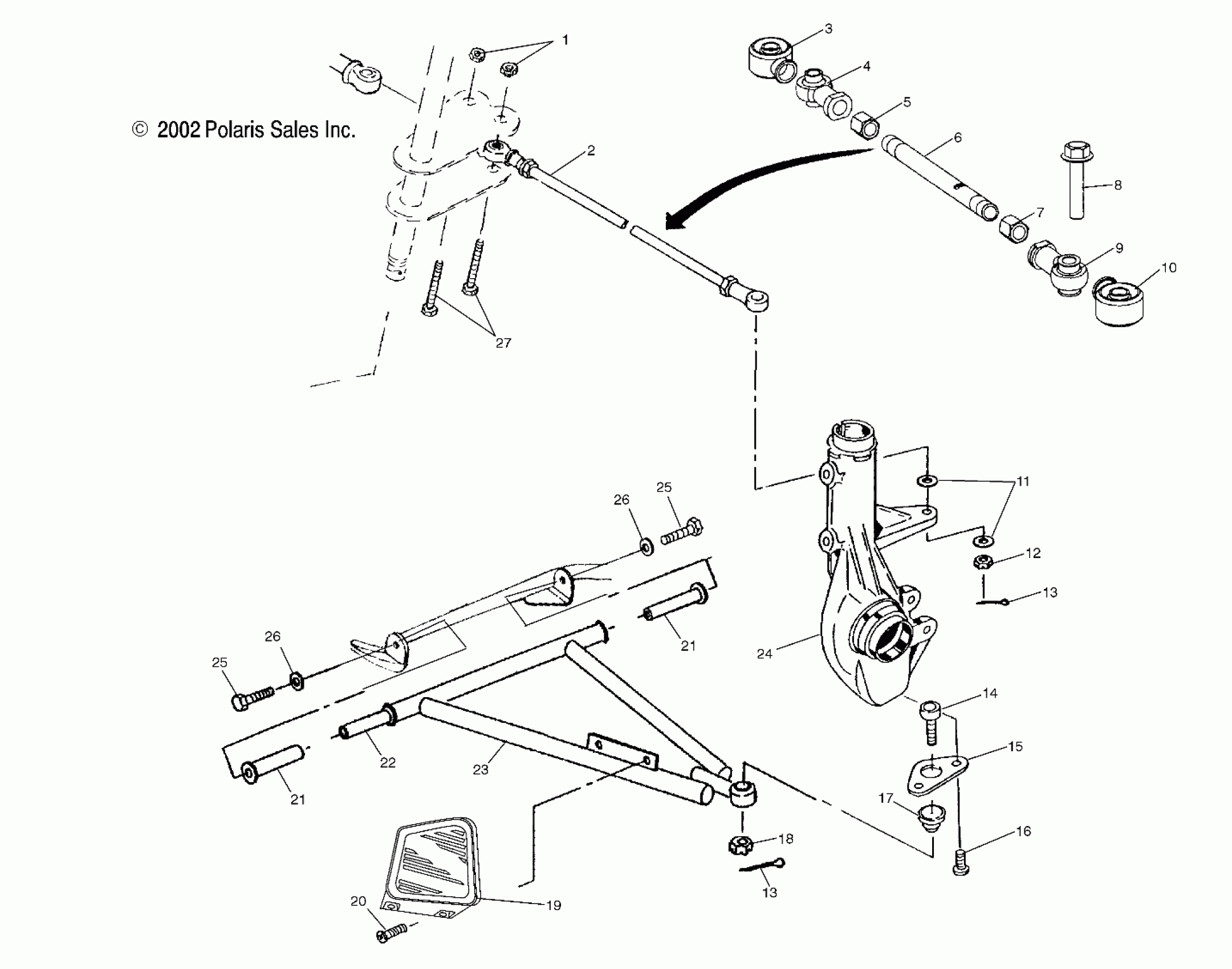
A-ARM/STRUT MOUNTING - A03CL50AA (4975687568B05)
Polaris SPORTSMAN 6X6 - A03CL50AA A-ARM/STRUT MOUNTING - A03CL50AA (4975687568B05) Diagram
#
Description
Price
2
Asm., Tie Rod [Incl. 3-9]
1820805
Unavailable
3
Boot, Seal, Rod End
5411291
Unavailable
9
Rod End, LH
7061054
Unavailable
10
Boot, Seal, Rod End
5411920
Unavailable
17
Boot, Rubber
5410548
Unavailable
19
Shield, CV Joint, LH
5431150-070
Unavailable
24
ASM., HEAVY HUBSTRUT [SEE FRONT STRUT PG. B2, REF. 16]
-------
Unavailable
