- Partiron
- OEM Parts
- Polaris
- ATV
- 2001
- SPORTSMAN 6X6 - A01CL50AA
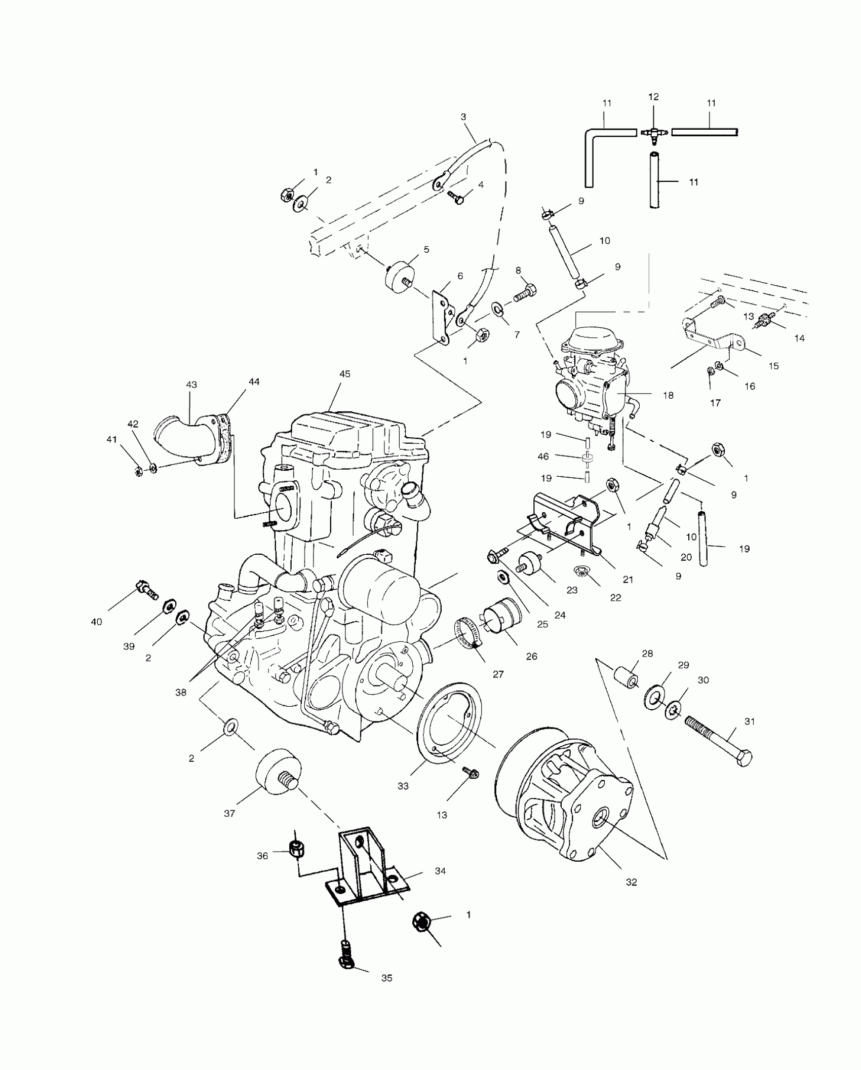
ENGINE MOUNTING - A01CL50AA (4964586458A009)
Polaris SPORTSMAN 6X6 - A01CL50AA ENGINE MOUNTING - A01CL50AA (4964586458A009) Diagram
#
Description
Price
3
CABLE,GND-ENGINE
4010132
Unavailable
5
MOUNT,RUBBER,TOP
3110044
Unavailable
6
BRKT,ENG.MT,TOP,BLK
5242674-067
Unavailable
10
FUEL LINE,1/4 ID(600 CM.)
8450040-600
Unavailable
10
FUEL LINE,1/4 ID(600 CM.)
8450040-600
Unavailable
11
FUEL LINE,1/4 ID(1525 CM.)
8450003-1525
Unavailable
11
FUEL LINE,1/4 ID(1525 CM.)
8450003-1525
Unavailable
11
FUEL LINE,1/4 ID(1525 CM.)
8450003-1525
Unavailable
15
BRKT,CARB,MOUNT,BLK
5243803-067
Unavailable
18
Asm., Carburetor (See Carburetor Pg. D8, Ref. 47)
-------
Unavailable
19
FUEL LINE,1/8 ID,600 CM.
8360009-600
Unavailable
19
FUEL LINE,1/8 ID,600 CM.
8360009-600
Unavailable
19
FUEL LINE,1/8 ID,600 CM.
8360009-600
Unavailable
23
MOUNT,RUBBER,FRONT
3110046
Unavailable
32
Asm., Drive Clutch (See Drive Clutch Pg. C3 for Details)
-------
Unavailable
33
Bracket, Retainer, Seal (See Clutch Cover Pg. C6, Ref. 18)
-------
Unavailable
37
MOUNT,MOTOR
3110067
Unavailable
41
Nut (See Cylinder Pg. D6, Ref. 23)
-------
Unavailable
42
Washer, Lock (See Cylinder Pg. D6, Ref. 22)
-------
Unavailable
44
Gasket, Exhaust (See Cylinder Pg. D6, Ref. 20)
-------
Unavailable
45
ENG.(S.B.)EH50PLE-01 (EH50PLE10) NOTE: The Short Block assembly contains a crankcase assembly, cylinder and cylinder head assembly, and a piston & crankshaft assembly. Prior authorization required
3085556
Unavailable
46
VENT,CHECKVALVE
7051011
Unavailable
