- Partiron
- OEM Parts
- Polaris
- ATV
- 2001
- SPORTSMAN 6X6 - A01CL50AA
ELECTRICAL - A01CL50AA (4964586458C009)
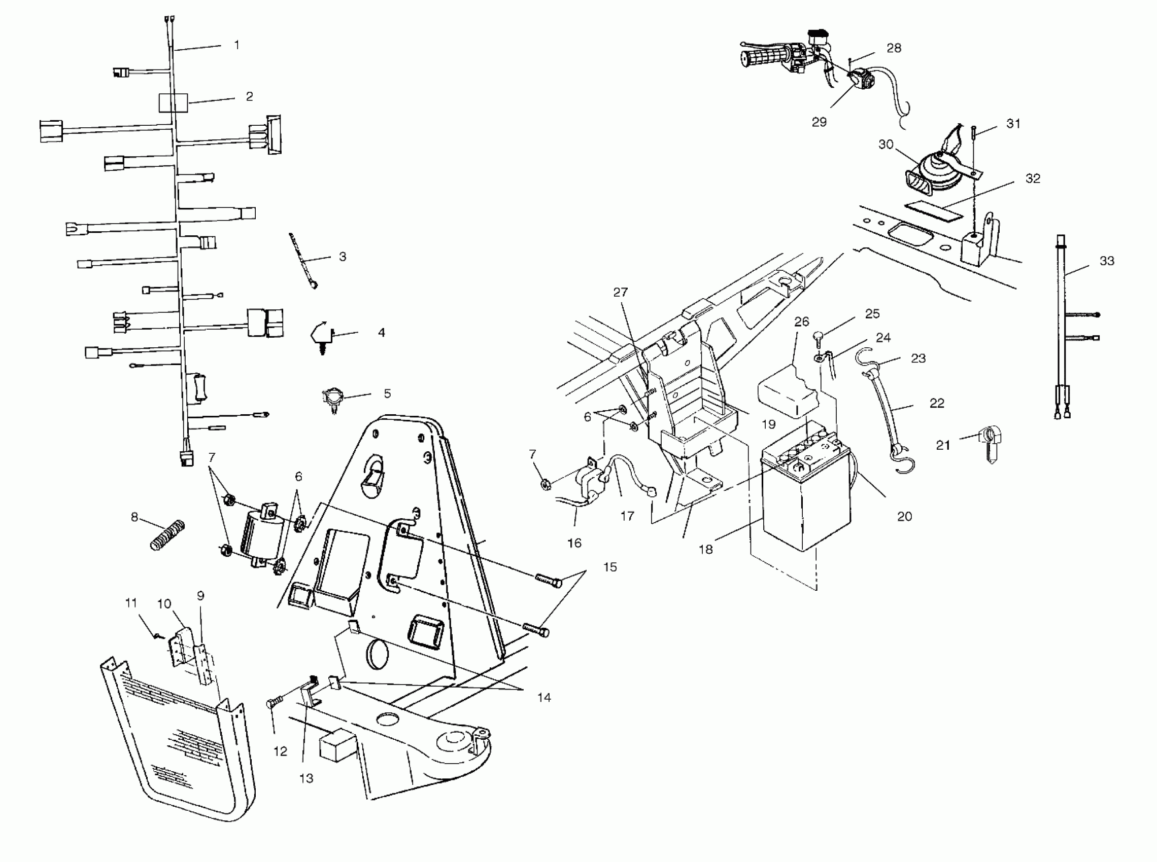
Polaris SPORTSMAN 6X6 - A01CL50AA ELECTRICAL - A01CL50AA (4964586458C009) Diagram
#
Description
Price
1
HARNESS-MAIN,SPORTSAMN 6X6
2460854
Unavailable
9
HEATSINK RECT.
5131036
Unavailable
10
RECTIFIER,FULL WAVE
4060173
Unavailable
17
CABLE,BATT/SOLENOID,RED
4010094
Unavailable
22
STRAP,BATTERY HOLDDOWN
5410424
Unavailable
24
CABLE,BATT/ENG.,BLK.
4010095
Unavailable
30
Horn
4010310
Unavailable
32
PAD,FUELTANK BRKT. Substituted by 8360026
5810317
Unavailable
33
HARNESS-ADAPTER,HORN
2460837
Unavailable
