- Partiron
- OEM Parts
- Polaris
- ATV
- 2016
- SPORTSMAN 570 EFI X2 EPS (R12) - A16SWE57A1/A7
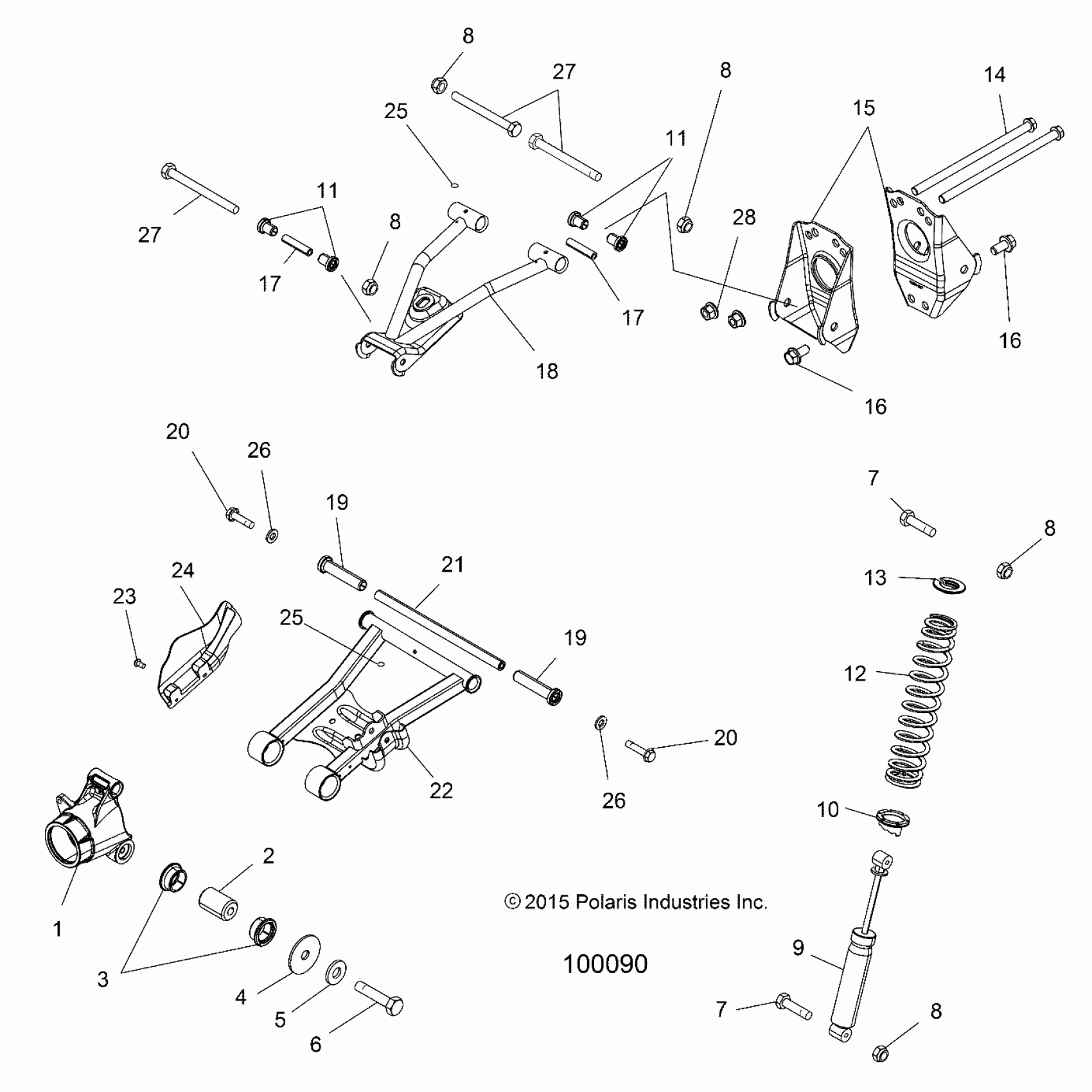
SUSPENSION, REAR - A16SWE57A1/A7 (100090)
Polaris SPORTSMAN 570 EFI X2 EPS (R12) - A16SWE57A1/A7 SUSPENSION, REAR - A16SWE57A1/A7 (100090) Diagram
#
Description
Price
15
BRACKET, CONTROL ARM, PIVOT, BLACK
5254267-329
Unavailable
20
SCR-3/8-24X1 3/4,HX,GR5,P30,Y
7520340
Unavailable
20
SCR-3/8-24X1 3/4,HX,GR5,P30,Y
7520340
Unavailable
