Partiron

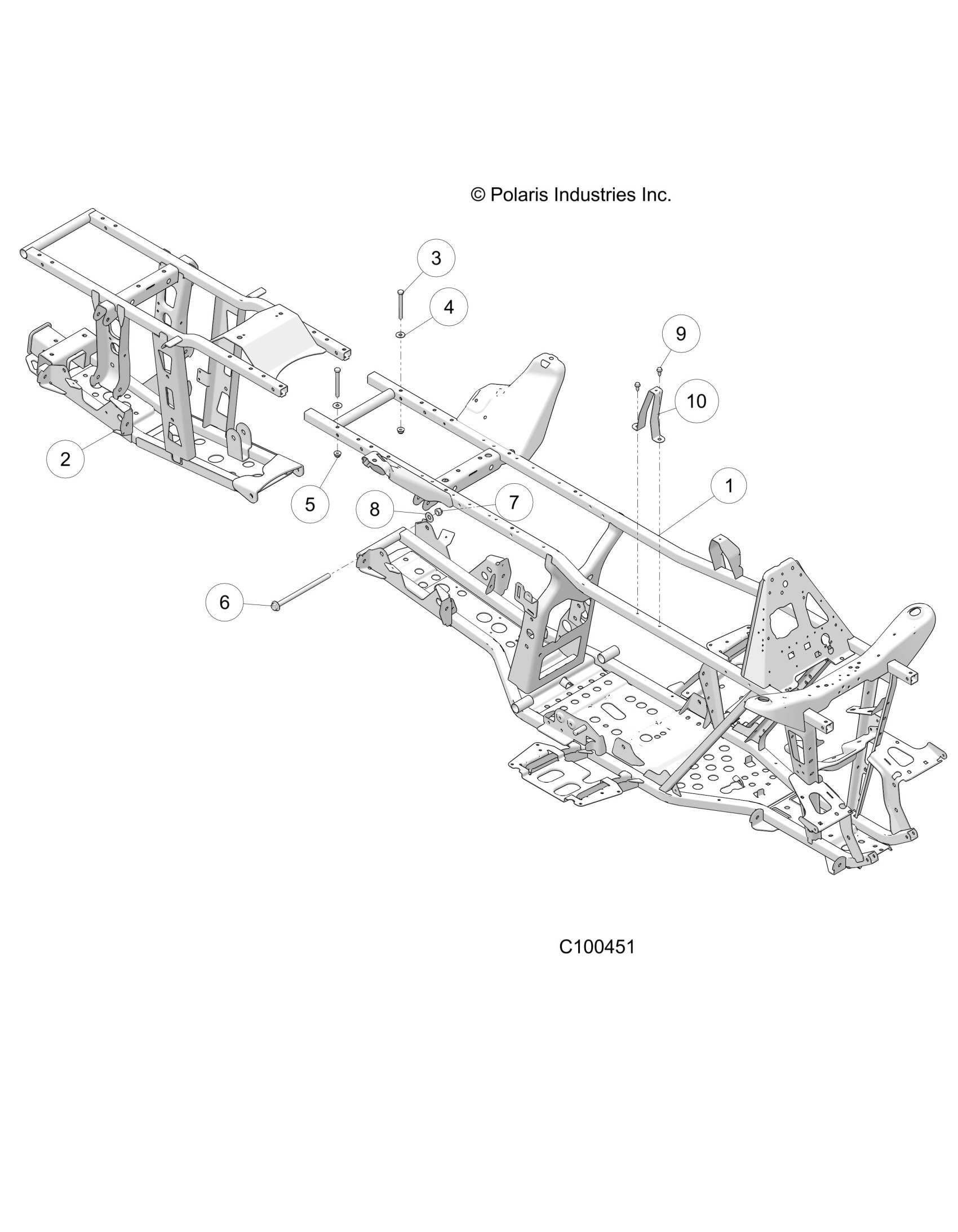
Polaris SPORTSMAN 570 6X6 (R05) - A19S6E57B1 CHASSIS, FRAME - A19S6E57B1 Diagram

#

Description
Price

1

WELD-MAIN FRAME,570 6X6,BLK

1021608-067

Unavailable

2

WELD-FRAME,REAR,6X6,BLK

1021601-067

Unavailable

3

SCR-5/16-18X3 HX CP GR5-Y

7515346

$5.59

4

WASHER-.344X.875X.063,FL-Y

7555734

$1.49

5

NUT-5/16-18 HX FLG NL-Y

7542343

$4.79

6

SCR-7/16-20X7.25-HX-FL-CP-GR5Y

7519039

$27.99

7

NUT-7/16-20,NYLON,Y

7547066

$1.59

8

WASHER-7/16 SAE,STF,THRU-HRD-Y

7556212

$8.79

9

SCR-1/4-20X5/8,TAP/R-Y

7517386

$1.49

10

BRKT-SUPPORT,FUEL TANK,RH

5261866

$31.99