- Partiron
- OEM Parts
- Polaris
- ATV
- 1998
- SPORTSMAN 500 - W98CH50AD
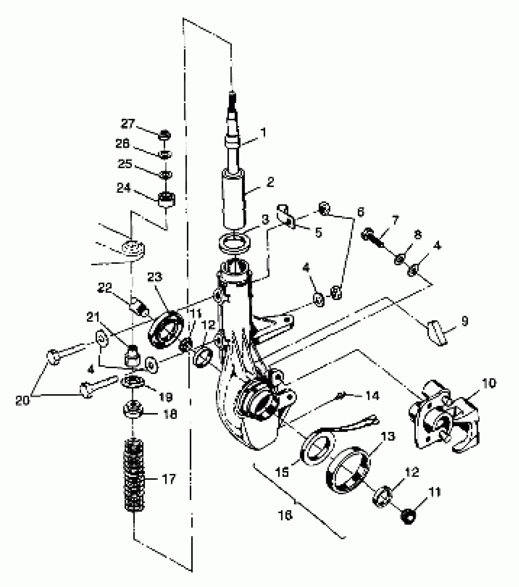
FRONT STRUT - S98CH50E(B) (4950135013b007)
Polaris SPORTSMAN 500 - W98CH50AD FRONT STRUT - S98CH50E(B) (4950135013b007) Diagram
#
Description
Price
1
BUMPER,STRUT
5411468
Unavailable
9
RETAINER,WIRE,STRUT CAST
5810439
Unavailable
10
Asm., Front Brake Caliper, RH (See Pg. B9 for Details)
-------
Unavailable
16
HUBSTRUT ASM,RH,HVY Substituted by 2201312 (32mm) (Incl. 9,12-15,23)
2200767
Unavailable
16
HUBSTRUT ASM,LH,HVY Substituted by 2201311 (32mm) (Incl. 9,12-15,23)
2200766
Unavailable
18
RETAINER,SPRING,TOP
5220602
Unavailable
19
PIVOT BALL,BOTTOM Substituted by 5432871
5430807
Unavailable
22
Kit - Drive Shaft w/Sleeve Neapco (See Pg. B4, Ref. 13)
-------
Unavailable
24
PIVOT BALL, TOP Substituted by 5432872
5430806
Unavailable
