- Partiron
- OEM Parts
- Polaris
- ATV
- 1998
- SPORTSMAN 500 - W98CH50AD
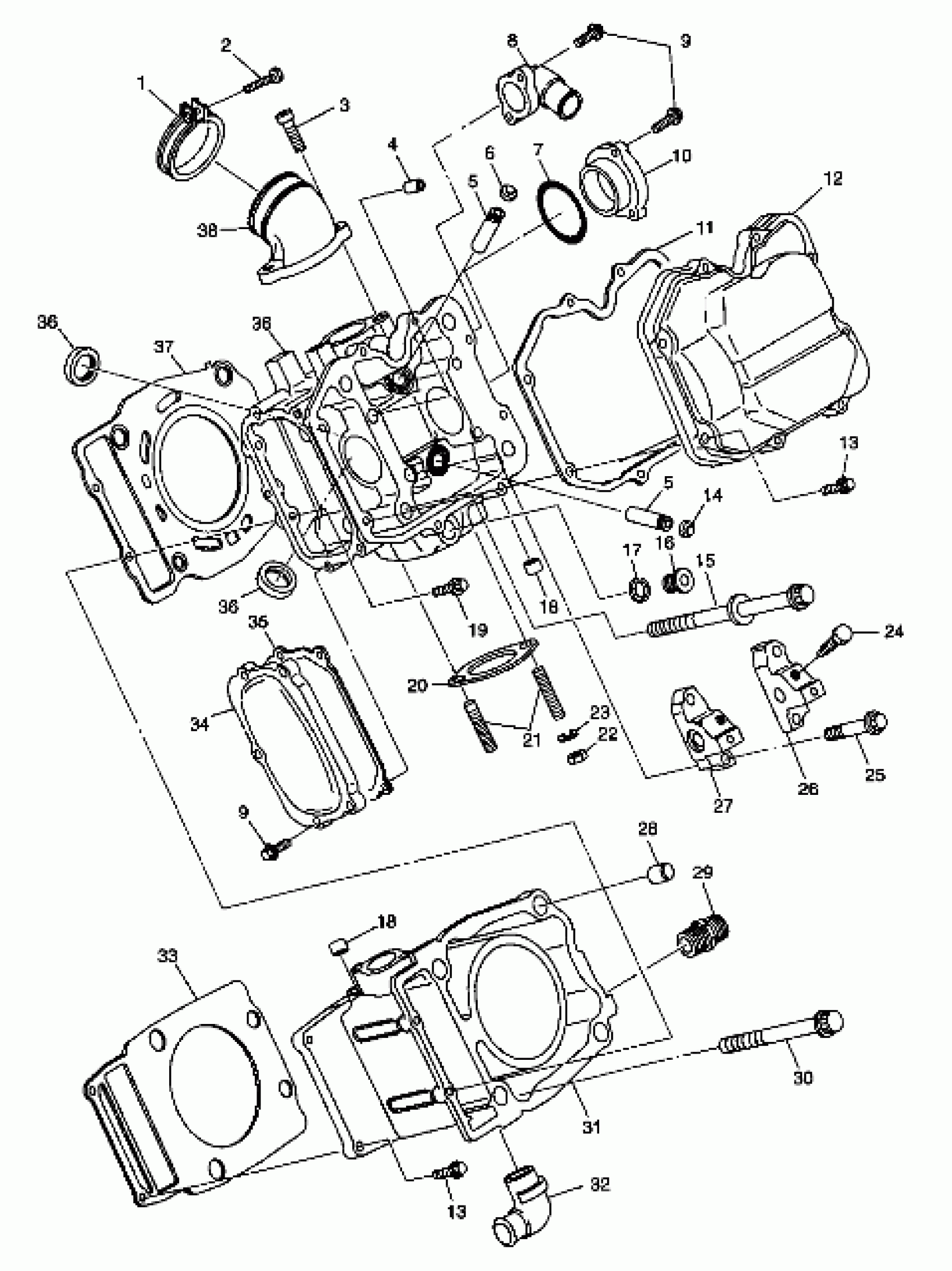
CYLINDER - S98CH50E(B) (4950135013d007)
Polaris SPORTSMAN 500 - W98CH50AD CYLINDER - S98CH50E(B) (4950135013d007) Diagram
#
Description
Price
4
PIN,STRAIGHT
3084857
Unavailable
8
ADAPTER,(WATER OUT) Substituted by 3084870
3085072
Unavailable
9
BOLT,FLANGE(10)
3084877
Unavailable
9
BOLT,FLANGE(10)
3084877
Unavailable
10
ADAPTER,CAMSHAFT
3084866
Unavailable
13
BOLT, FLANGE
3084874
Unavailable
13
BOLT, FLANGE
3084874
Unavailable
15
BOLT
3084875
Unavailable
18
PLUG, BLIND
3084862
Unavailable
18
PLUG, BLIND
3084862
Unavailable
19
BOLT, FLANGE Substituted by 3086781
3084215
Unavailable
21
STUD,(10)
3085326
Unavailable
22
NUT(10)
3080285
Unavailable
24
BOLT
3084880
Unavailable
26
SUPPORT,VALVE ROCKER (PTO)
3084864
Unavailable
28
PIN,STRAIGHT
3084838
Unavailable
29
UNION,OIL PUMP
3084849
Unavailable
30
BOLT, FLANGE
3084873
Unavailable
31
CYLINDER Substituted by 3085634 (Incl. 32)
3085526
Unavailable
32
PIPE, 2 ELBOW Substituted by 3086747
3084130
Unavailable
34
Cover, Camshaft
3084868
Unavailable
35
GASKET Substituted by 3086200
3084869
Unavailable
38
ADAPTER
3084879
Unavailable
