- Partiron
- OEM Parts
- Polaris
- ATV
- 1998
- SPORTSMAN 500 - W98CH50AD
CONTROLS - MASTER CYLINDER/BRAKE LINE - W98CH50A(C)(D)(E)(F) (4950135013b011)
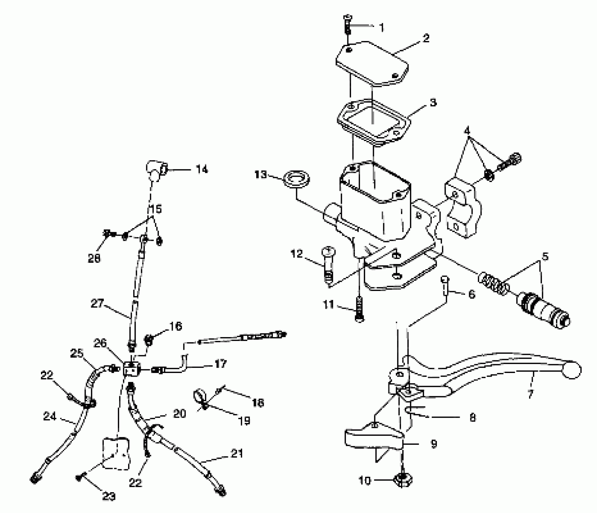
Polaris SPORTSMAN 500 - W98CH50AD CONTROLS - MASTER CYLINDER/BRAKE LINE - W98CH50A(C)(D)(E)(F) (4950135013b011) Diagram
#
Description
Price
-
MASTER CYL.ASM,3/4"BANJO (Incl. 1-6,10-13)
2050078
Unavailable
-
KIT,MASTER CYL RES. (Incl. 1-3,13)
2200809
Unavailable
2
CAP,M.CYL.RES.
1930796
Unavailable
4
KIT,M.CYL.CLAMP
2200808
Unavailable
6
Rivet
1930804
Unavailable
8
SPRING, FLAT
-------
Unavailable
10
NUT,M.CYL.HANDLE PIVOT
1930806
Unavailable
12
BOLT,M.CYL.HANDLE PIVOT
1930805
Unavailable
13
RING, SQUARE, RESERVOIR
-------
Unavailable
16
SWITCH,STOPLIGHT
4110164
Unavailable
17
Line, Brake, Rear (See Pg. C12, Ref. 5)
-------
Unavailable
20
CONDUIT, 30 CM. Substituted by 8360011-34
8360031-30
Unavailable
22
STRAP, BLK
7080272
Unavailable
22
STRAP, BLK
7080272
Unavailable
26
FITTING,CROSS INVERT,FLARE
7052129
Unavailable
27
BRAKELINE ASM,POD
1930817
Unavailable
28
BOLT,BANJO,BRAKE
1930674
Unavailable
