- Partiron
- OEM Parts
- Polaris
- ATV
- 1998
- SPORTSMAN 500 - W98CH50AD
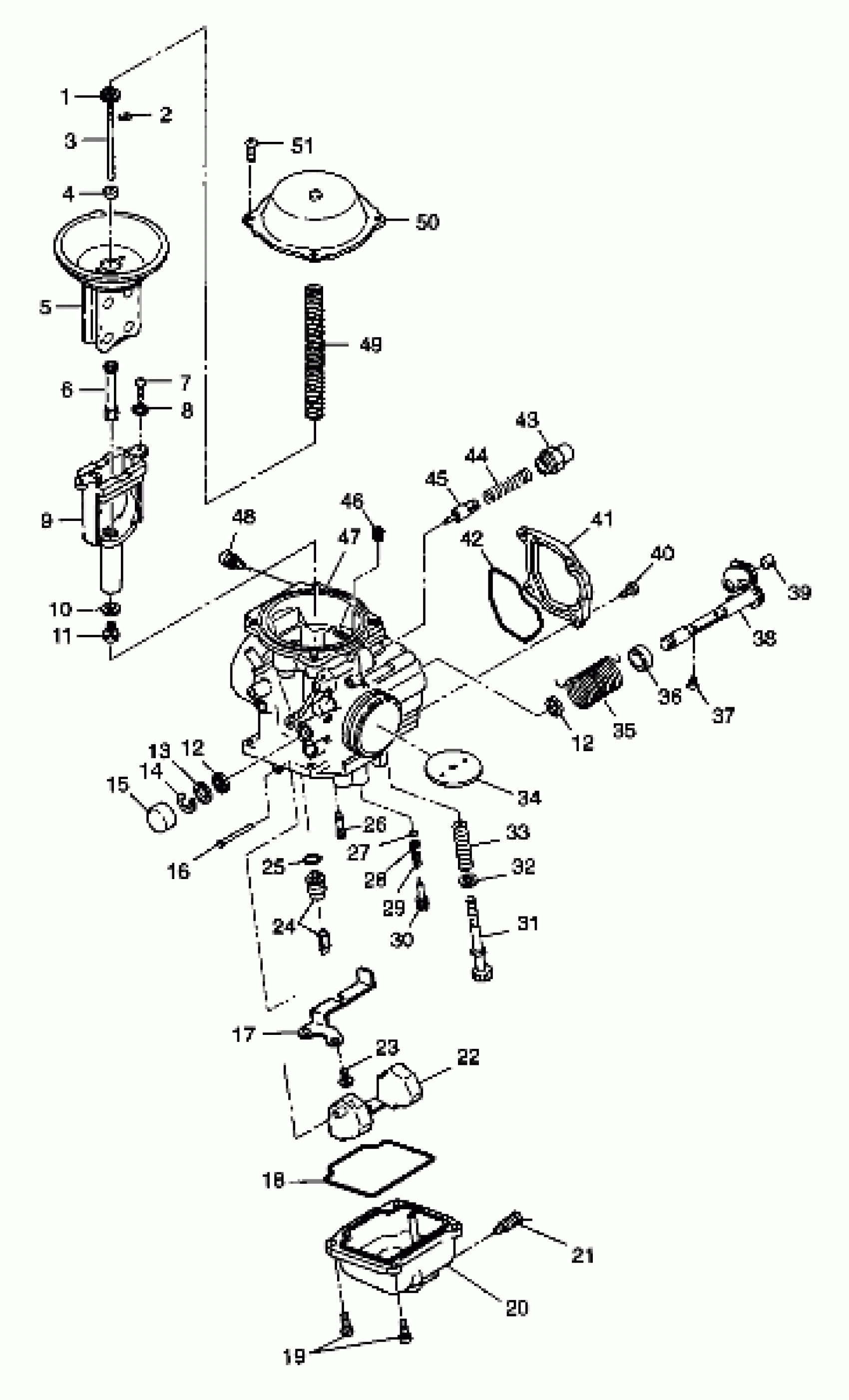
CARBURETOR - W98CH50A(C)(D)(E)(F) (4950135013d011)
Polaris SPORTSMAN 500 - W98CH50AD CARBURETOR - W98CH50A(C)(D)(E)(F) (4950135013d011) Diagram
#
Description
Price
6
JET,NEEDLE (P-1) (P-1)
3130666
Unavailable
13
PACKING
-------
Unavailable
24
VALVE,NEEDLE,(1.5) Substituted by 3130531 (1.5)
3130668
Unavailable
47
CARBURETOR ASM. (Incl. 1-38,43-51)
3130754
Unavailable
51
SCREW-MIKUNI C2=0408
3130592
Unavailable
