- Partiron
- OEM Parts
- Polaris
- ATV
- 1998
- SPORTSMAN 500 - W98CH50AB
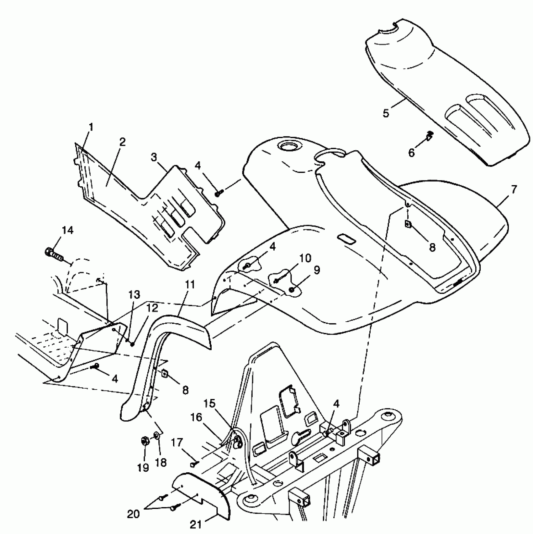
FRONT CAB - W98CH50AB (4945714571a007)
Polaris SPORTSMAN 500 - W98CH50AB FRONT CAB - W98CH50AB (4945714571a007) Diagram
#
Description
Price
1
FOIL,RH,SIDEPANEL,GEN IV
5811491
Unavailable
3
PANEL/FOIL ASM,RH,P.RED (W98CH50AB)
2620085-136
Unavailable
3
PANEL/FOIL ASM,RH,OLV.GRN. (W98CH50A)
2620085-191
Unavailable
3
PANEL,LH,SIDE,P.RED (W98CH50AB)
5431809-136
Unavailable
3
PANEL,LH,SIDE,OLV.GREEN (W98CH50A)
5431809-191
Unavailable
5
COVER,FRONT,P.RED (W98CH50AB)
5432088-136
Unavailable
5
COVER,FRONT,BLK (W98CH50A)
5432088-070
Unavailable
7
CAB ASM,FR,POR.RED Substituted by 2631987-136 (W98CH50AB)
2631927-136
Unavailable
7
CAB ASM,FR,OLV.GRN. Substituted by 2631987-191 (W98CH50A)
2631927-191
Unavailable
11
MUDGUARD,LH,FRT.BLK. Substituted by 5431798-070
5431798
Unavailable
12
NUT, LOCK(10) Substituted by 7541925
7541929
Unavailable
14
SCREW(10) Substituted by 7511989
7512085
Unavailable
16
LINE,BREATHER,3/8 ID.
8450073-600
Unavailable
18
WASHER(10) Substituted by 7558221
7555931
Unavailable
