- Partiron
- OEM Parts
- Polaris
- ATV
- 2010
- SPORTSMAN 500 HO - A10MH50AJ/AX/AZ
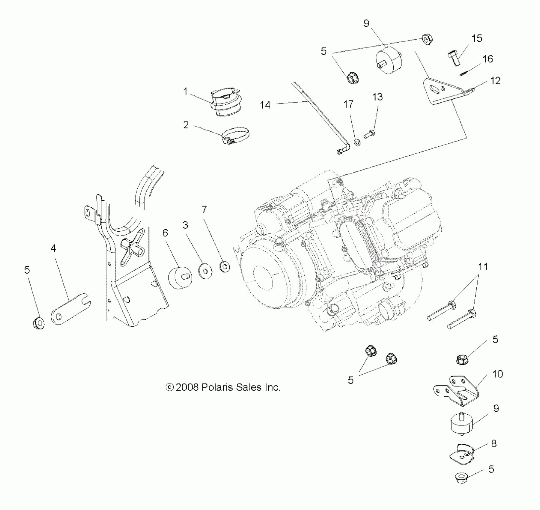
ENGINE, MOUNTING - A10MH50AJ/AX/AZ (49ATVENGINEMTG10SP500)
Polaris SPORTSMAN 500 HO - A10MH50AJ/AX/AZ ENGINE, MOUNTING - A10MH50AJ/AX/AZ (49ATVENGINEMTG10SP500) Diagram
#
Description
Price
1
BOOT, CLUTCH INTAKE
5412487
Unavailable
4
STRAP, FRAME SUPPORT, BLACK
5224658-067
Unavailable
6
Isolator
3022072
Unavailable
