- Partiron
- OEM Parts
- Polaris
- ATV
- 2006
- SPORTSMAN 500 HO - A06MH50AA
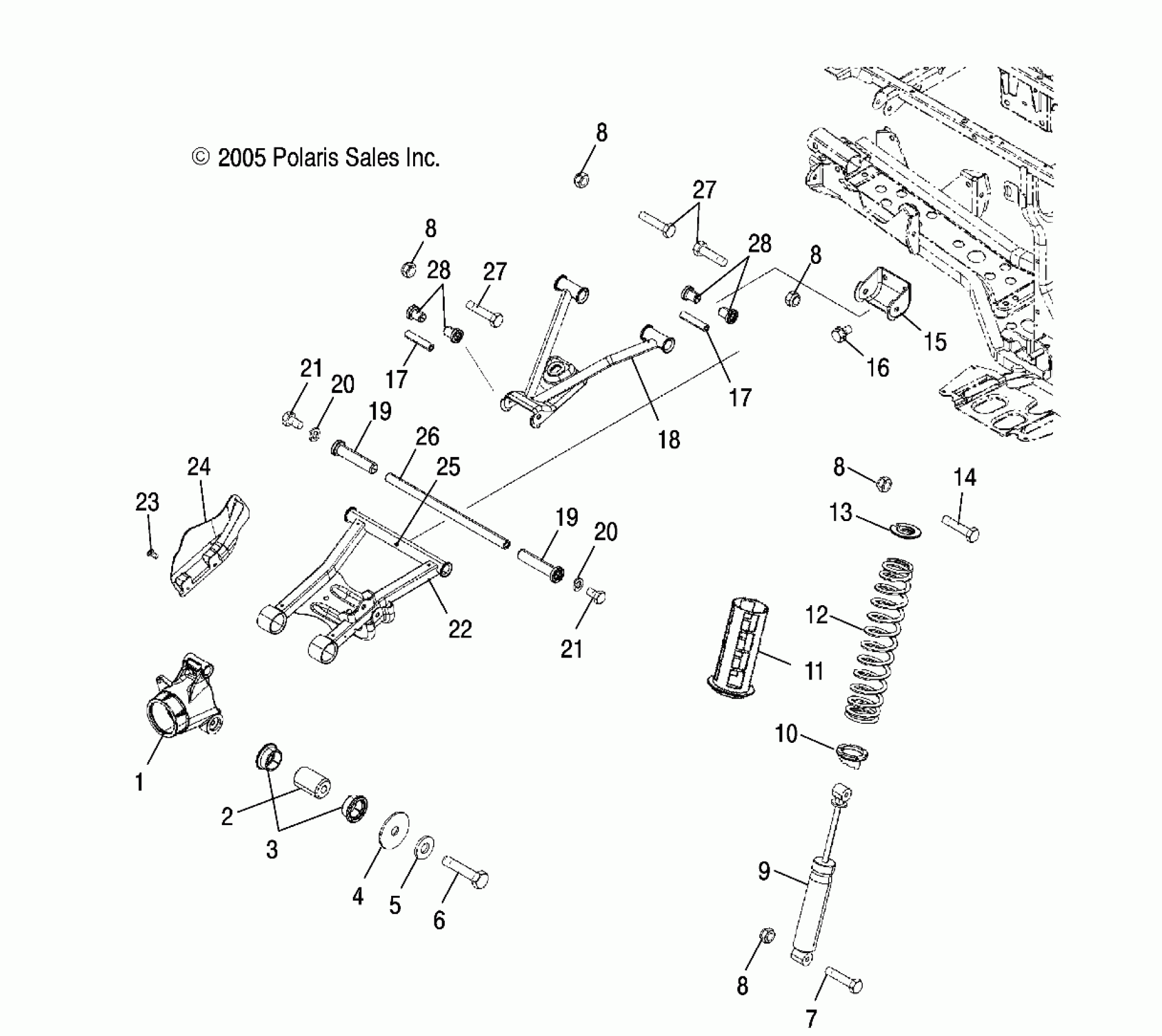
SUSPENSION, REAR - A06MH50AA/AB/AD/AF (4999200099920009C09)
Polaris SPORTSMAN 500 HO - A06MH50AA SUSPENSION, REAR - A06MH50AA/AB/AD/AF (4999200099920009C09) Diagram
#
Description
Price
22
Control, Lower, Black, LH
1015117-067
Unavailable
22
Control, Lower, Black, RH
1015118-067
Unavailable
