- Partiron
- OEM Parts
- Polaris
- ATV
- 2001
- SPORTSMAN 500 DUSE HO - A01CH50AF
COOLING SYSTEM - A01CH50AA (4964466446A010)
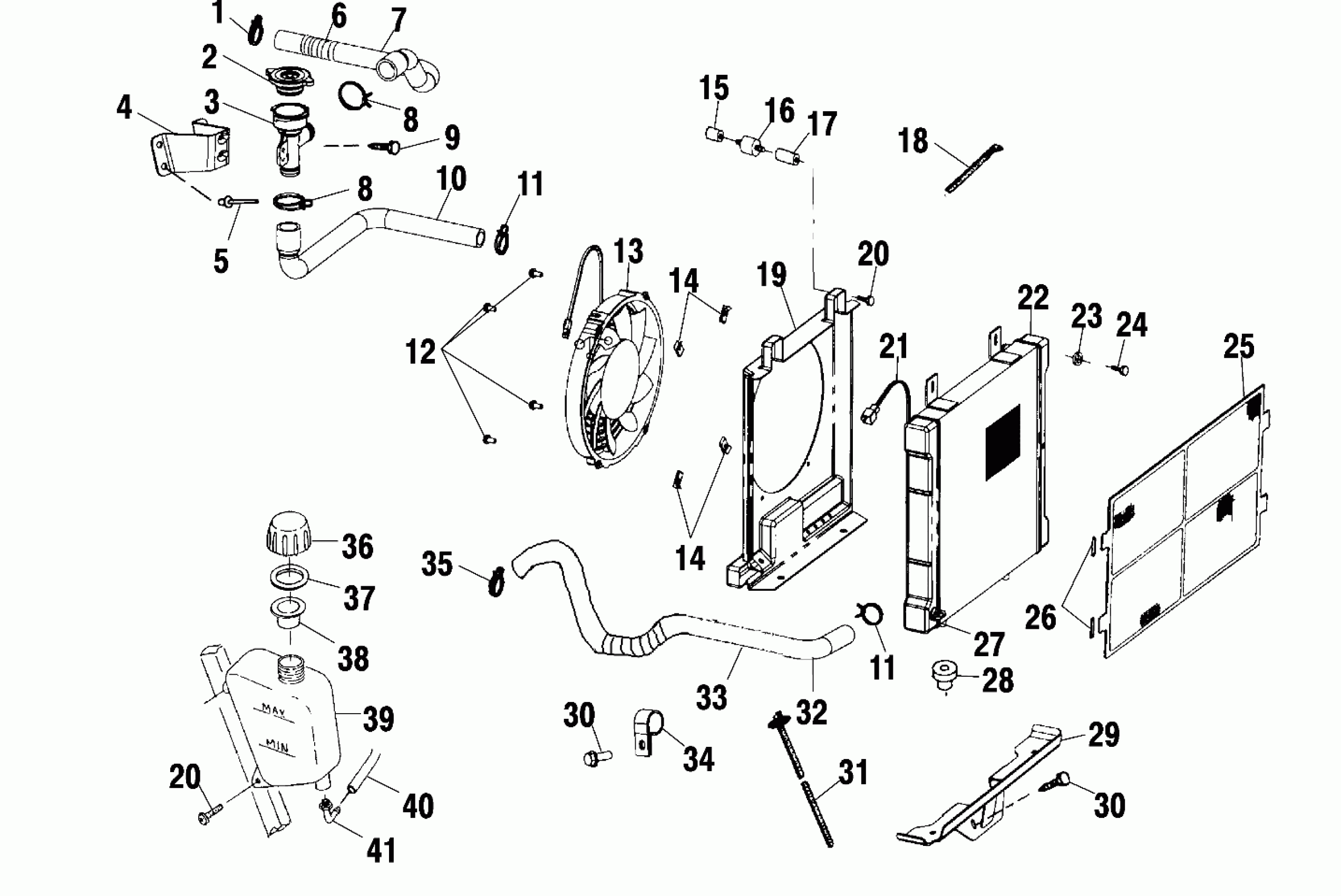
Polaris SPORTSMAN 500 DUSE HO - A01CH50AF COOLING SYSTEM - A01CH50AA (4964466446A010) Diagram
#
Description
Price
2
CAP-PRESSURE,13 PSI
1240044
Unavailable
4
BRKT,REMOTE COOLANT FILL
5243505-067
Unavailable
6
FLEXGUARD-PLASTIC GUARD
5433948
Unavailable
8
CLAMP-ROTO SPRING 1"
7080827
Unavailable
8
CLAMP-ROTO SPRING 1"
7080827
Unavailable
10
HOSE,FILLER NECK
5411632
Unavailable
14
CLIP,U,ZY
7670111
Unavailable
14
CLIP,U,ZY
7670111
Unavailable
19
SHROUD-FAN,ATV
5433059
Unavailable
22
Radiator
1240045
Unavailable
27
VALVE-PLASTIC RAD/COOLER DRAIN
7052296
Unavailable
32
HOSE,LOWER ENGINE
5411782
Unavailable
33
PLASTIC,HOSEGUARD 18"
5521550
Unavailable
34
CLAMP-HOSE,1.312 VINYL COATED
7080851
Unavailable
39
Tank, Surge
5431673
Unavailable
