- Partiron
- OEM Parts
- Polaris
- ATV
- 1999
- SPORTSMAN 500 - A99CH50AB
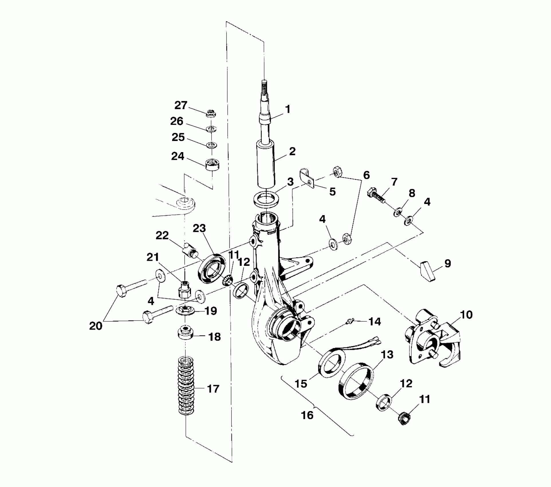
FRONT STRUT - A99CH50EB (4949114911b007)
Polaris SPORTSMAN 500 - A99CH50AB FRONT STRUT - A99CH50EB (4949114911b007) Diagram
#
Description
Price
1
BUMPER-MCU,17.80MM ID (For Strut 7041761)
5411608
Unavailable
1
BUMPER,STRUT (For Strut 7041755)
5411468
Unavailable
9
RETAINER,WIRE,STRUT CAST
5810439
Unavailable
10
Asm., Front Brake Caliper, RH (See Footnote) (See Front Brake Pg. B9 for Details)
-------
Unavailable
16
HUBSTRUT,SVC,BRN/WHT,42,RH (32mm) (Incl. 9,12-15,23)
2201312
Unavailable
16
HUBSTRUT,SVC,BRN/WHT,42,LH (32mm) (Incl. 9,12-15,23)
2201311
Unavailable
18
RETAINER,SPRING,TOP (For Strut 7041755)
5220602
Unavailable
19
PIVOT BALL,BOTTOM Substituted by 5432871
5430807
Unavailable
22
Kit - Drive Shaft w/Sleeve BTB (See Footnote) (See CV Joint - BTB Pg. B4, Ref. 13)
-------
Unavailable
24
PIVOT BALL, TOP Substituted by 5432872
5430806
Unavailable
