- Partiron
- OEM Parts
- Polaris
- ATV
- 1996
- SPORTSMAN 4X4 - W968040
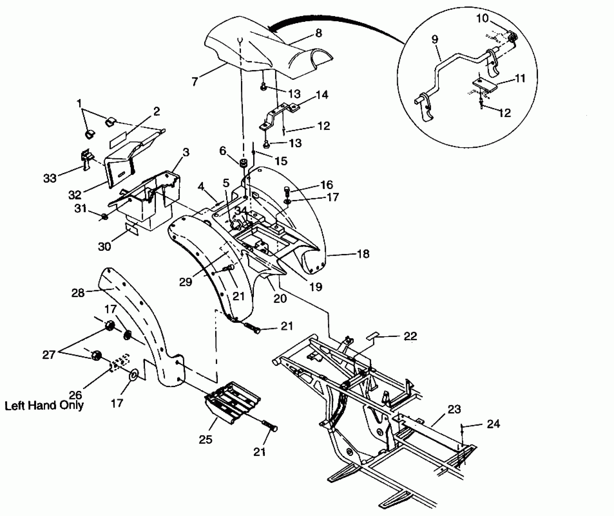
REAR CAB and SEAT Sportsman 4x4 W968040 (4935943594A006)
Polaris SPORTSMAN 4X4 - W968040 REAR CAB and SEAT Sportsman 4x4 W968040 (4935943594A006) Diagram
#
Description
Price
1
CLIP, LID HINGE(10)
7670050
Unavailable
2
DECAL(CPSC),PASS.WRN. [No Longer Available]
7072805
Unavailable
3
BOX,TOOL COMP.
5430882
Unavailable
5
RETAINER,TOOL POUCH
7080385
Unavailable
6
Grommet
5411042
Unavailable
7
COVER,SEAT,BLACK
2681723-070
Unavailable
8
SEAT ASM,(ATV),BLK. Substituted by 2682203-070
2681724-070
Unavailable
9
LATCH,SEAT
1011558
Unavailable
10
SPRING, LATCH
7041158
Unavailable
14
BRKT,SUPPORT SEAT BASE
5222837-067
Unavailable
16
SCREW(10)
7515180
Unavailable
18
CAB,REAR,OLV.GRN.
5431271-191
Unavailable
19
BRKT,R.HOLDDOWN
5220880
Unavailable
20
Foil, Rear Cab
5810957
Unavailable
22
DECAL,FILTER ELEMENT [No Longer Available]
7072791
Unavailable
25
Weld., Foot Pad (See Pg. A7, Ref. 37)
-------
Unavailable
26
BRKT, LH MUD FLAP
5211131-067
Unavailable
28
MUDFLAP, LH, FULL
5850107
Unavailable
29
Foil, Rear Cab, Small
5810991
Unavailable
30
TAPE, FOIL
5810310
Unavailable
32
LID,TOOLBOX,OLV.GRN.
5430769-191
Unavailable
33
STRAP,TOOL COMPARTMENT
5410425
Unavailable
34
DECAL,CARB.INFO.
7073761
Unavailable
