- Partiron
- OEM Parts
- Polaris
- ATV
- 1996
- SPORTSMAN 4X4 - W968040
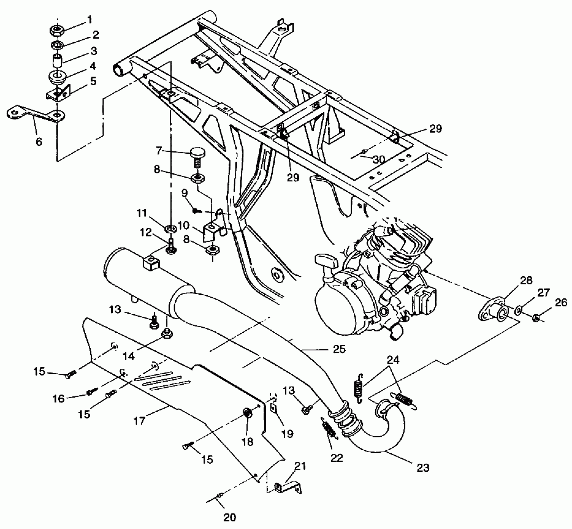
EXHAUST SYSTEM Sportsman 4x4 W968040 (4935943594A012)
Polaris SPORTSMAN 4X4 - W968040 EXHAUST SYSTEM Sportsman 4x4 W968040 (4935943594A012) Diagram
#
Description
Price
4
DAMPENER
5410241
Unavailable
5
BRKT,RH SUPPORT RACK Substituted by 5243469-067
5220901-067
Unavailable
7
MOUNT, MOTOR
3110030
Unavailable
10
BRKT,R.MUFF.MT,BLK.
5241449-067
Unavailable
17
HEATSHIELD ASM. (Incl. Foam)
1260717
Unavailable
18
WASHER(10) Substituted by 7558301
7555776
Unavailable
21
BRKT,BLK,HEATSHIELD
5240179-067
Unavailable
23
HEADPIPE WELD.
1260549-029
Unavailable
25
EXHAUST WELD,BLK,(350)
1260588-029
Unavailable
26
NUT(10)
3080285
Unavailable
28
MANIFOLD, BLK.
1260543-029
Unavailable
