- Partiron
- OEM Parts
- Polaris
- ATV
- 1994
- SPORTSMAN 4X4 - W948039
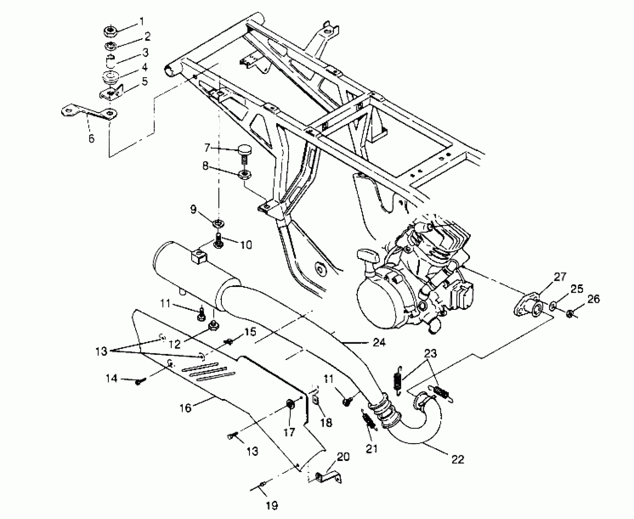
EXHAUST SYSTEM Sportsman 4x4 W948040 (4926842684A010)
Polaris SPORTSMAN 4X4 - W948039 EXHAUST SYSTEM Sportsman 4x4 W948040 (4926842684A010) Diagram
#
Description
Price
4
DAMPENER
5410241
Unavailable
5
BRKT,RH SUPPORT RACK Substituted by 5243469-067
5220901-067
Unavailable
7
MOUNT, MOTOR
3110030
Unavailable
15
NUT, RETAINER(10)
7542141
Unavailable
16
HEATSHIELD ASM. (Incl. Foam)
1260620
Unavailable
17
WASHER(10) Substituted by 7558301
7555776
Unavailable
20
BRKT,BLK,HEATSHIELD
5240179-067
Unavailable
22
HEADPIPE WELD.
1260549-029
Unavailable
24
EXHAUST WELD,BLK,(350)
1260588-029
Unavailable
26
NUT(10)
3080285
Unavailable
27
MANIFOLD, BLK.
1260543-029
Unavailable
