- Partiron
- OEM Parts
- Polaris
- ATV
- 1994
- SPORTSMAN 4X4 - W948039
ENGINE MOUNTING Sportsman 4x4 W948040 (4926842684A008)
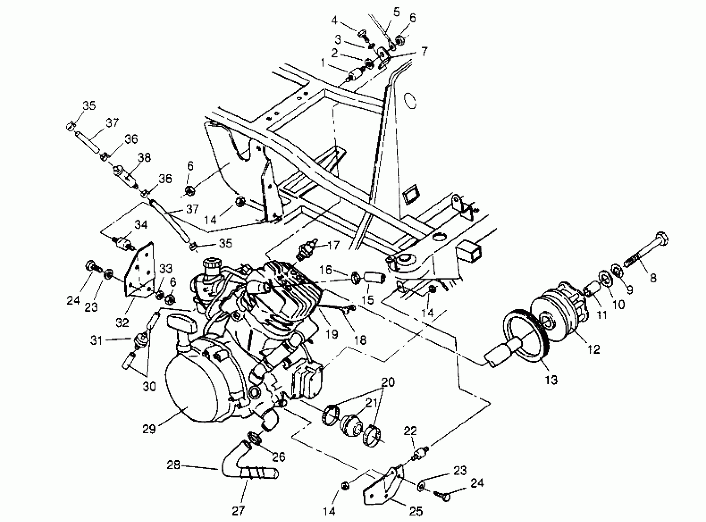
Polaris SPORTSMAN 4X4 - W948039 ENGINE MOUNTING Sportsman 4x4 W948040 (4926842684A008) Diagram
#
Description
Price
1
MT.,RUBBER,ENG.
3110038
Unavailable
5
CABLE,GROUND/ENG.
4010067
Unavailable
7
MOUNT,ENG.TOP
5222415-067
Unavailable
12
Asm., Drive Clutch (See Pg. A29, Ref. 1)
-------
Unavailable
13
Seal, Cover Case (See Pg. A28, Ref. 37)
-------
Unavailable
16
CLAMP-HOSE Substituted by 7080547
7080225
Unavailable
19
CABLE,SOLENOID/STARTER
4010064
Unavailable
22
MOUNT,MOTOR
3110026
Unavailable
23
WASHER SPRINGLOCK(10) Substituted by 7552603
7553001
Unavailable
23
WASHER SPRINGLOCK(10) Substituted by 7552603
7553001
Unavailable
25
MOUNT,ENGINE
1040231-067
Unavailable
26
CLAMP,WORM DRIVE
7080547
Unavailable
29
ENG.EC38PL-01 Substituted by 3084718
1211547
Unavailable
30
FUEL LINE,1/8 ID,600 CM.
8360009-600
Unavailable
31
CHECKVALVE,VENT Substituted by 7051011
7052047
Unavailable
32
MOUNT, REAR MOTOR, BLK.
5240542-067
Unavailable
34
MOUNT,RUBBER,ENG.
3110042
Unavailable
37
FUEL LINE,3/16 ID(600 CM.)
8450042-600
Unavailable
37
FUEL LINE,3/16 ID(600 CM.)
8450042-600
Unavailable
