- Partiron
- OEM Parts
- Polaris
- ATV
- 1994
- SPORTSMAN 4X4 - W948039
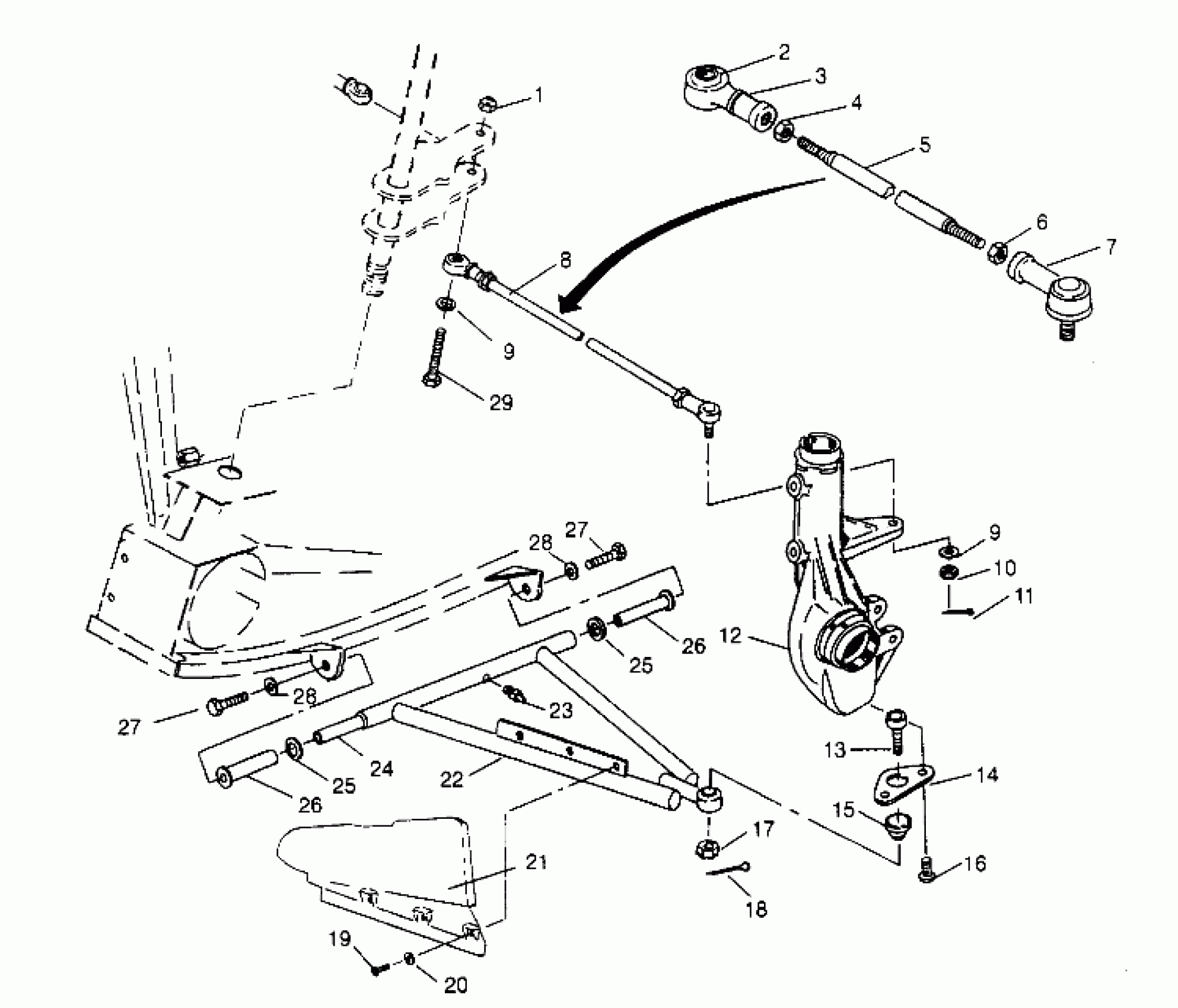
A-ARM/STRUT MOUNTING Sportsman 4x4 W948040 (4926842684B009)
Polaris SPORTSMAN 4X4 - W948039 A-ARM/STRUT MOUNTING Sportsman 4x4 W948040 (4926842684B009) Diagram
#
Description
Price
3
ROD END, RH Substituted by 1822179
7060149
Unavailable
6
NUT, LH, 10 MM.(10)
7546902
Unavailable
8
TIE ROD ASM. Substituted by 1822309
1822178
Unavailable
12
Kit, Hub Strut, RH (See pg. A18, Ref. 15)
-------
Unavailable
12
Kit, Hub Strut, LH
-------
Unavailable
13
BALL JOINT Substituted by 7080673
7080364
Unavailable
15
Boot, Rubber
5410548
Unavailable
21
SHIELD,LH.CV,BLK.
5431837
Unavailable
21
SHIELD,RH.CV,BLK.
5431838
Unavailable
24
Shaft, A-Arm
5020681
Unavailable
26
BUSHING,A-ARM,LONG. Substituted by 5433066
5431596
Unavailable
26
BUSHING,A-ARM,LONG. Substituted by 5433066
5431596
Unavailable
27
BOLT(10) Substituted by 7512492
7515458
Unavailable
27
BOLT(10) Substituted by 7512492
7515458
Unavailable
29
BOLT(10) Substituted by 7515554
7515507
Unavailable
