Partiron

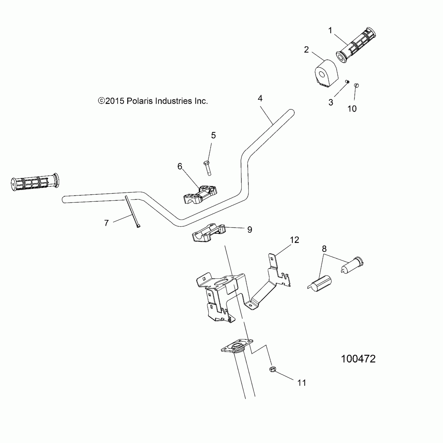
Polaris SPORTSMAN 450 HO (R04) - A20SEA50A1/A5/CA1/CA5 STEERING, HANDLEBAR and CONTROLS - A20SEA50A1/A5/CA1/CA5 (100472) Diagram

#

Description
Price

1

GRIP, HANDLEBAR, BLACK

5413578-070

$23.99

2

CONTROL-LH,HI/LO/OFF [INCL. 3]

4019044

$39.99

3

SCREW, SET

7517625

$4.79

4

TUBE-HANDLEBAR,ATV SINGLES,BLK

5340797-067

$67.99

5

SCREW

7515189

Unavailable

6

BLOCK, HANDLEBAR, PEGGED

5631972

$27.99

7

CABLE-TIE,DIA12-50MM,WTHR-RES.

7080138

$2.41

8

Receptacle, Pod Mount, 12V

4010638

$24.27

9

BLOCK, HANDLEBAR

5631973

$27.99

10

PLUG, HOLE

5432952

$5.59

11

Nut, Nylok

7542122

$1.49

12

BRKT-POD MOUNTING

5259236

$39.99