- Partiron
- OEM Parts
- Polaris
- ATV
- 2006
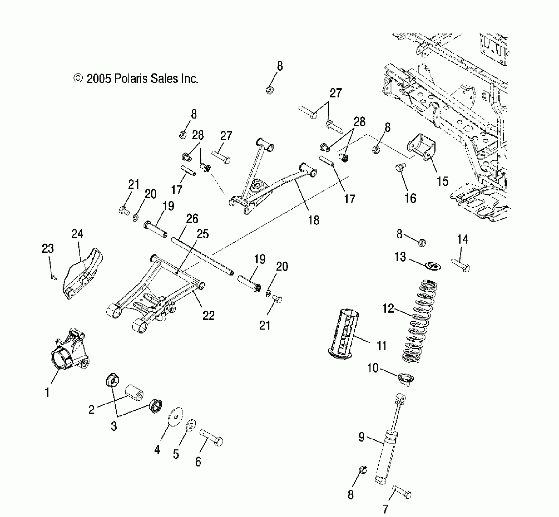
- SPORTSMAN 450 - A06MH46AA
SUSPENSION, REAR - A06MH46 ALL OPTIONS (4999200059920005C09)
Polaris SPORTSMAN 450 - A06MH46AA SUSPENSION, REAR - A06MH46 ALL OPTIONS (4999200059920005C09) Diagram
#
Description
Price
22
Control, Lower, Black, LH
1015117-067
Unavailable
22
Control, Lower, Black, RH
1015118-067
Unavailable
